A3964 A3964SB A3964SLB-T A3964SLBTR-T ALLEGRO 代理商 原装 规格书 PDF 参数
Update:2009-04-07 Views:6733
3964.pdf
【产品名称】 A3964
【产品类别】 双路全桥式 PWM 电动机驱动器
【产品用途】 普遍用于电动车控制板上
【产品规格】 DIP24/SOIC20
【生产厂家】 ALLEGRO
【技术参数】 A3964 DATESHEET
【产品说明】原装正品,无铅、07+新货,详情请来电联系!
A3964
双路全桥式 PWM 电动机驱动器
特点
- ±800 毫安连续输出电流率
- 30 伏特输出电压率
- 内部 PWM 电流控制,饱和灌电流驱动器
- 内生精确 2.5 伏特参考
- 内部瞬态抑制二极管
- 内部过热关机电路
- 交叉电流,欠压锁定 (UVLO) 保护
描述
为双极步进脉宽调制 (PWM) 电流控制而设计的 A3964SB 与 A3964SLB 能够连续输出电流至±800 毫安,工作电压为 30 伏。内部固定停机时间脉宽调制 (PWM) 电流控制电路可用来控制最大负载电流,使之达到期望值。 内部精确电压参考用于改善电动机峰值电流控制的准确度。 用户'可通过选择外部电阻分隔器和电流感测电阻设置峰值载荷电流限制。 用户可通过选择外部 RC 计时网络设置固定停机时间脉冲持续时间。 RC 计时网络中的电容器也可以确定用户可选择空白窗口,该窗口在开关转换过程中可防止对 PWM 电流控制电路的误触发。 这样,电流感测比较器输入就不需要两个外部 RC 滤波器网络。
每个电桥的"相位"输入可通过选择适当的源极与灌电流驱动器件控制负载电流的极性。 每个电桥的"启用"输入持高时,禁用输出驱动器。 不需要特别的加电排序。 内部电路保护包括因滞后引起的过热关机、瞬态抑制二极管及交叉电流保护。
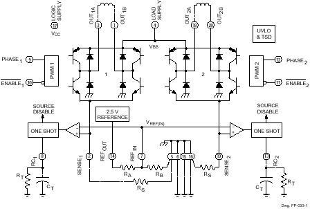
功能方框图
完整型号
|
型号 |
封装类型 |
RoHS |
温度 |
|---|---|---|---|
| A3964SB | 24-引脚 DIP | 否 | -20 °C 至 85 °C |
| A3964SLB | 20-铅 SOIC | 否 | -20 °C 至 85 °C |
| A3964SLB-T | 20-铅 SOIC | 是 | -20 °C 至 85 °C |
| A3964SLBTR | 20-铅 SOIC | 否 | -20 °C 至 85 °C |
| A3964SLBTR-T | 20-铅 SOIC | 是 | -20 °C 至 85 °C |
询价热线:
0755-83283733, 83031813,33062500
QQ:623069669
MSN:sumzi003@sumzi.com sumzi006@sumzi.com
Email:sumzi@sumzi.com
http://www.sumzi.com

Collect
Navigate:






