ALLEGRO 代理 UDN2916B-T 特价热卖 提供技术资料、PDF
Update:2009-04-07 Views:6517
【产品名称】 UDN2916 (UDN2916B-T, PCF8563CT)
【产品类别】 集成电路
【产品用途】 主要用于电机驱电器(如汽车,仪器设备等)
【产品规格】 24-Pin DIP
【生产厂家】 ALLEGRO
【技术参数】 UDN2916 技术参数下载 PDF/DATASHEET
【产品说明】 响拇指电子公司代理销售UDN2916原装正品,原装现货 包装:15PCS/管
【产品类别】 集成电路
【产品用途】 主要用于电机驱电器(如汽车,仪器设备等)
【产品规格】 24-Pin DIP
【生产厂家】 ALLEGRO
【技术参数】 UDN2916 技术参数下载 PDF/DATASHEET
【产品说明】 响拇指电子公司代理销售UDN2916原装正品,原装现货 包装:15PCS/管
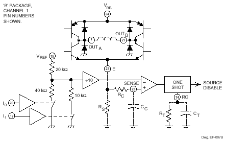
UDx2916
Dual Full-Bridge PWM Motor Driver
Features
- 750 mA Continuous Output Current
- 45 V Output Sustaining Voltage
- Internal Clamp Diodes
- Internal PWM Current Control
- Low Output Saturation Voltage
- Internal Thermal Shutdown Circuitry
- Similar to Dual PBL3717, UC3770
Description
The UDx2916 motor drivers drive both windings of a bipolar stepper motor or bidirectionally control two DC motors. Both bridges are capable of sustaining 45 V and include internal pulse-width modulation (PWM) control of the output current to 750 mA. The outputs have been optimized for a low output saturation voltage drop (less than 1.8 V total source plus sink at 500 mA).
For PWM current control, the maximum output current is determined by user selection of a reference voltage and sensing resistor. Two logic-level inputs select output current limits of 0%, 33%, 67%, or 100% of the maximum level. A PHASE input to each bridge determines load current direction.
The bridges include both ground-clamp and flyback diodes for protection against inductive transients. Internally generated delays prevent crossover currents when switching current direction. Special power-up sequencing is not required. Thermal protection circuitry disables the outputs if the chip temperature exceeds safe operating limits.
The device is supplied in a 24-pin dual in-line plastic (DIP, package B) with two pairs of batwing leads as heat-sinkable tabs for enhanced power dissipation capabilities. The LB package is a 24-lead surface-mount wide SOIC with two pairs of batwing leads. The EB package is a 44-lead power PLCC with 11 internally-fused leads on two sides. Their webbed-lead construction provides for maximum package power dissipation in the smallest possible construction.
The devices are available for operation from –20°C to 85°C (range N), and from –40°C to 105°C (range Q). All packages are lead (Pb) free, with 100% matte tin leadframe plating.
PWM Current Control Circuitry
询价热线:
0755-83283733, 83031813,33062500
QQ:623069669
MSN:sumzi003@sumzi.com sumzi006@sumzi.com
Email:sumzi@sumzi.com
http://www.sumzi.com
Pre: HS2272 / HS2262 遥控解码 电路 IC 2026-02-04
Next:3904 3606 技术 参数 2026-02-04

Collect
Navigate:








