新品出售A3967,可替代UCN5804(ALLEGRO)代理商 最新原装现货 提供技术参数 PDF
A3967
Microstepping Driver with Translator
Features
- ±750 mA, 30 V Output Rating
- Satlington® Sink Drivers
- Automatic Current Decay Mode Detection/Selection
- 3.0 V to 5.5 V Logic Supply Voltage Range
- Mixed, Fast, and Slow Current-Decay Modes
- Internal UVLO and Thermal Shutdown Circuitry
- Crossover-Current Protection
Description
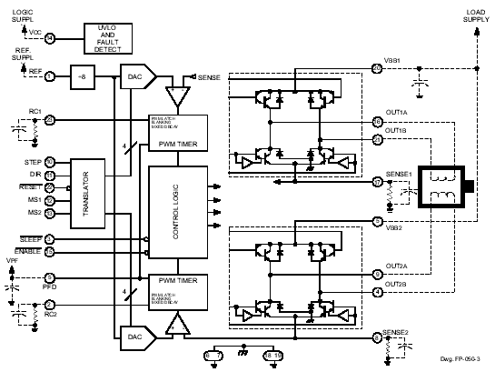
The A3967SLB is a complete microstepping motor driver with built-in translator. It is designed to operate bipolar stepper motors in full-, half-, quarter-, and eighth-step modes, with output drive capability of 30 V and ±750 mA. The A3967SLB includes a fixed off-time current regulator that has the ability to operate in slow, fast, or mixed current-decay modes. This current-decay control scheme results in reduced audible motor noise, increased step accuracy, and reduced power dissipation.
The translator is the key to the easy implementation of the A3967SLB. By simply inputting one pulse on the STEP input the motor will take one step (full, half, quarter, or eighth depending on two logic inputs). There are no phase-sequence tables, high-frequency control lines, or complex interfaces to program. The A3967SLB interface is an ideal fit for applications where a complex µP is unavailable or over-burdened.
Internal circuit protection includes thermal shutdown with hysteresis, under-voltage lockout (UVLO) and crossover-current protection. Special power-up sequencing is not required.
The A3967SLB is supplied in a 24-lead SOIC with copper batwing tabs. The tabs are at ground potential and need no insulation. A leadfree (100% matte tin leadframe) version is also available.
Functional Block Diagram

Part Number
Package Type
RoHS
Temperature
Comments
Compliant
A3967SLB
24-lead SOIC
No
-20 °C to 85 °C
discontinued
A3967SLB-T
24-lead SOIC
Yes
-20 °C to 85 °C
A3967SLBTR
24-lead SOIC
No
-20 °C to 85 °C
discontinued
A3967SLBTR-T
24-lead SOIC
Yes
-20 °C to 85 °C
0755-83283733, 83031813,33062500
QQ:623069669
MSN:sumzi003@sumzi.com sumzi006@sumzi.com
Email:sumzi@sumzi.com
http://www.sumzi.com
Pre:A3977、可替代UCN5804(ALLEGRO)代理商 最新原装现货 提供技术参数 PDF 2026-02-08
Next:Littelfuse(美国力特) 保险丝 1206L012 原装 代理(PDF ROHS 技术参数) 2026-02-08

Collect
Navigate:







