TL431 最新到货,热卖中!!!
【产品名称】TL431
【产品类别】可调分流基准芯片
【产品规格】DIP
【生产厂家】TI CJ ON ....
【产品用途】可调分流基准芯片TL431的特性及其在一些功能电路中的应用。
关键词 可调分流基准 恒流 恒压 PWM 开关电源
描述:
TL431精密可调基准电源有如下特点:稳压值从2.5~36V连续可调;参考电压原误差+-1.0%,低动态输出电阻,典型值为0.22欧姆输出电流1.0~100毫安;全温度范围内温度特性平坦,典型值为50ppm;低输出电压噪声。
典型应用电路如下:
1:精密基准电压源(附图1)该电路具有良好的温度稳定性及较大的输出电流。但在连接容性负载时,应特别注意CL的取值,以免自激。
2: 可调稳压电源(附图2)Vo可在2.5~36V之间调节。V0=Vref(1+R1/R2)(Vref=2.5v),由于承受电压与(Vi -Vo)有关,因此压差很大时,R的功耗随之增加。使用时注意。
3:过电压保护电路(附图3)当Vi超过一定电压时,TL431触发,使晶闸管导通,产生瞬间大电流,将保险丝熔断,从而保护后极电路。V保护点=(1+R1/R2)Vref.
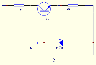
4:恒流源电路(附图4----拉电流负载)(附图5---灌电流负载)恒流值与Vref和外加电阻有关,功率晶体管选用时要考虑余量。该恒流源如与稳压线路配接,可做电流限制器用。
5:比较器(附图6)它是巧妙的运用了Vref=2.5v这个临界电压。当Vi<Vref,Vo=V+,当Vi>Vref时,Vo=2V由于TL431内阻小,因而输入输出波形跟踪良好。
6:电压监视器(附图7)利用TL431的转移特性,组成实用电压监视器。当电压处于上下限电压之间,LED电量,上下限电压分别为(1+R1/R2)Vref和(1+R3/R4)Vref 
询价热线:
0755-83283733, 83031813,33062500
QQ:623069669
MSN:sumzi003@sumzi.com sumzi006@sumzi.com
Email:sumzi@sumzi.com
http://www.sumzi.com
Pre:UDN2981A(ALLEGRO)代理商 新到现货 提供技术参数 PDF 2026-02-05
Next:供应SS441A 原装 现货 提供技术 参数 PDF文档 下载 2026-02-05

Collect
Navigate:






