L293 技术资料及报价(附PDF文档)
DATASHEET PDF
L293.pdf
DESCRIPTION
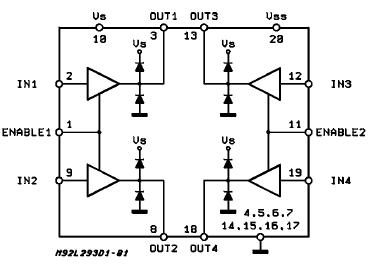
The Device is a monolithic integrated high volt-
age, high current four channel driver designed to
accept standard DTL or TTL logic levels and drive
inductive loads (such as relays solenoides, DC
and stepping motors) and switching power tran-
sistors.
To simplify use as two bridges each pair of chan-
nels is equipped with an enable input. A separate
supply input is provided for the logic, allowing op-
eration at a lower voltage and internal clamp di-
odes are included.
This device is suitable for use in switching appli-
cations at frequencies up to 5 kHz
The L293D is assembled in a 16 lead plastic
packaage which has 4 center pins connected to-
gether and used for heatsinking
The L293DD is assembled in a 20 lead surface
mount which has 8 center pins connected to-
gether and used for heatsinking










Pre:SLA7050M/SLA7051M/SLA7052M 技术资料及报价(附PDF文档) 2026-04-10
Next:L297 技术资料及报价(附PDF文档) 2026-04-10

Collect
Navigate:






