传感器原理
Update:2019-07-17 Views:14026
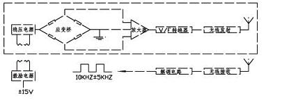
传感器原理结构(见下图)

在一段特制的弹性轴上粘贴上专用的测扭应片并组成变桥,即为基础扭矩传感器;在轴上固定着:(1)能源环形变压器的次级线圈,(2)信号环形变压器初级线圈,(3)轴上印刷电路板,电路板上包含整流稳定电源、仪表放大电路、V/F变换电路及信号输出电路。在传感器的外壳上固定着:
(1)激磁电路,(2)能源环形变压器的初级线圈(输入),(3) 信号环形变压器次级线圈(输出),(4)信号处理电路
五 工作过程
向传感器提供±15V电源,激磁电路中的晶体振荡器产生400Hz的方波,经过TDA2030功率放大器即产生交流激磁功率电源,通过能源环形变压器T1从静止的初级线圈传递至旋转的次级线圈,得到的交流电源通过轴上的整流滤波电路得到±5V的直流电源,该电源做运算放大器AD822的工作电源;由基准电源AD589与双运放AD822组成的高精度稳压电源产生±4.5V的精密直流电源,该电源既作为电桥电源,又作为放大器及V/F转换器的工作电源。当弹性轴受扭时,应变桥检测得到的mV级的应变信号通过仪表放大器AD620放大成1.5v±1v的强信号,再通过V/F转换器LM131变换成频率信号,通过信号环形变压器T2从旋转的初级线圈传递至静止次级线圈,再经过传感器外壳上的信号处理电路滤波、整形即可得到与弹性轴承受的扭矩成正比的频率信号,该信号为TTL电平,既可提供给专用二次仪表或频率计显示也可直接送计算机处理。由于该旋转变压器动--静环之间只有零点几毫米的间隙,加之传感器轴上部分都密封在金属外壳之内,形成有效的屏蔽,因此具有很强的抗干扰能力。
本传感器输出的频率信号在零点时为10kHz.正向旋转满量程时为15KHz.反向旋转满量程时为5KHz。即满量程变量为5000个数/每秒。转速测量采用光电齿轮或者磁电齿轮的测量方法,轴每旋转一周可产生60个脉冲,高速或中速采样时可以用测频的方法,低速采样时可以用测周期的方法。本传感器精度可达±0.2%~±0.5%(F·S)。由于传感器输出为频率信号,所以无需AD转换即可直接送至计算机进行数据处理。
在一段特制的弹性轴上粘贴上专用的测扭应片并组成变桥,即为基础扭矩传感器;在轴上固定着:(1)能源环形变压器的次级线圈,(2)信号环形变压器初级线圈,(3)轴上印刷电路板,电路板上包含整流稳定电源、仪表放大电路、V/F变换电路及信号输出电路。在传感器的外壳上固定着:
(1)激磁电路,(2)能源环形变压器的初级线圈(输入),(3) 信号环形变压器次级线圈(输出),(4)信号处理电路
五 工作过程
向传感器提供±15V电源,激磁电路中的晶体振荡器产生400Hz的方波,经过TDA2030功率放大器即产生交流激磁功率电源,通过能源环形变压器T1从静止的初级线圈传递至旋转的次级线圈,得到的交流电源通过轴上的整流滤波电路得到±5V的直流电源,该电源做运算放大器AD822的工作电源;由基准电源AD589与双运放AD822组成的高精度稳压电源产生±4.5V的精密直流电源,该电源既作为电桥电源,又作为放大器及V/F转换器的工作电源。当弹性轴受扭时,应变桥检测得到的mV级的应变信号通过仪表放大器AD620放大成1.5v±1v的强信号,再通过V/F转换器LM131变换成频率信号,通过信号环形变压器T2从旋转的初级线圈传递至静止次级线圈,再经过传感器外壳上的信号处理电路滤波、整形即可得到与弹性轴承受的扭矩成正比的频率信号,该信号为TTL电平,既可提供给专用二次仪表或频率计显示也可直接送计算机处理。由于该旋转变压器动--静环之间只有零点几毫米的间隙,加之传感器轴上部分都密封在金属外壳之内,形成有效的屏蔽,因此具有很强的抗干扰能力。
本传感器输出的频率信号在零点时为10kHz.正向旋转满量程时为15KHz.反向旋转满量程时为5KHz。即满量程变量为5000个数/每秒。转速测量采用光电齿轮或者磁电齿轮的测量方法,轴每旋转一周可产生60个脉冲,高速或中速采样时可以用测频的方法,低速采样时可以用测周期的方法。本传感器精度可达±0.2%~±0.5%(F·S)。由于传感器输出为频率信号,所以无需AD转换即可直接送至计算机进行数据处理。
Pre:闭环霍尔电流传感器在车用电源系统中的应用 2026-03-13
Next:如何正确选择OEM生产中的压力传感器 2026-03-13

Collect
Navigate:






