A3213LUA 微功率、超灵敏霍尔效应开关
A3213LUA 型号
A3213LUA 类型 微功率、超灵敏霍尔效应开关
A3213LUA 应用
ALLEGRO 品牌系列产品
A3213LUA 批号
A3213LUA 数量
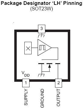
A3213LUA 封装
A3213LUA 包装
A3213LUA 价格
A3213LUA 备注 原装正品,无铅
A3213LUA 技术资料(点击型号PDF文档下载)
A3213LUA.pdf
A3213LUA 相关型号
The A3213xx and A3214xx integrated circuits are ultra-sensitive, pole
in de pen dent Hall-effect switches with a latched digital output. They are
es pe cial ly suited for operation in battery-operated, hand-held equip ment such
as cellular and cordless tele phones, pagers, and palmtop com put ers. A 2.4 volt
to 5.5 volt operation and a unique clocking scheme reduce the average op er -
at ing power requirements – the A3213xx to 825 μW, the A3214xx to 14 μW
(typical at 2.75 V)! Except for operating duty cycle and average operating
current, the A3213xx and A3214xx are identical.
Unlike other Hall-effect switches, either a north or south pole of suf fi cient
strength will turn the output on; in the absence of a magnetic field, the output
is off. The polarity independence and minimal power requirement allows
these devices to easily replace reed switches for superior reliability and ease of
manufacturing, while eliminating the requirement for signal conditioning.
Improved stability is made possible through chopper stabilization (dynam
ic offset cancellation), which reduces the residual offset voltage normally
caused by device overmolding, temperature de pen den cies, and thermal stress.
These devices include on a single silicon chip a Hall-voltage generator,
small-signal amplifier, chopper sta bi li za tion, a latch, and a MOSFET output.
Advanced BiCMOS processing is used to take advantage of low-voltage and
low-power requirements, component matching, very low input-offset errors,
and small component geometries.
Range 'E' devices are rated for operation over a tem per a ture range of
-40°C to +85°C; range 'L' devices are rated for operation over a tem per a ture
range of -40°C to +150°C. Two package styles provide a mag net i cal ly op ti -
mized pack age for most ap pli ca tions. ‘LH’ is a min ia ture low-profile surfacemount
package, ‘UA’ is a three-lead SIP for through-hole mounting. Each
package is available in a lead (Pb) free version (suffix, –T) , with a 100% matte
tin plated leadframe.
FEATURES
■ Micropower Operation
■ Operate With North or South Pole
■ 2.4 V to 5.5 V Battery Operation
■ Chopper Stabilized
Superior Temperature Stability
Extremely Low Switch-Point Drift
Insensitive to Physical Stress
■ ESD Protected to 5 kV
■ Sol id-State Reliability
■ Small Size
■ Easily Manufacturable With Magnet Pole Independence

ABSOLUTE MAXIMUM RATINGS
at TA = +25°C
Supply Voltage, VDD .............................. 6 V
Magnetic Flux Density, B .......... Unlimited
Output Off Voltage, VOUT ...................... 6 V
Output Current, IOUT ........................... 1 mA
Junction Temperature, TJ ................ +170°C
Operating Temperature Range, TA
Suffix 'E' ...................... -40°C to +85°C
Suffix 'L' ................... -40°C to +150°C
Storage Temperature Range,
TS .............................. -65°C to +170°C
询价热线:
0755-83283733, 83031813,33062500
QQ:623069669
MSN:sumzi003@sumzi.com sumzi006@sumzi.com
Email:sumzi@sumzi.com
ALLEGRO相关型号:
A3141LUA A3141EUA A3141EU A3121LU A3121ELT A3056LU A3046LUA1321LUA-T A1321LLHLT-T A1302UA A1302EUA-T A1302EUA A1106EUA-T A1106ELHLT-T A1104EU-T A1104EUA-T A1102LUA-TA1102LLTTR-T A1102LLHLT-T A1101LUA (replace A3141LUA) A1101LLHLT-TA1101EU-T A1101EUA-T A11011LLHLT-T A3955SB SKHMPSE010 AO4606AP5200 7C256-15JC 7C256-12JC ACS712ELCTR-05B-T ACS712ELCLU-05C-TA3977SLP-T A3212EUA-T
Pre:SLA7052M技术参数查询 报价0755-22053656 2025-11-29
Next:A3340 稳定斩波型精密霍尔效应开关 2025-11-29

Collect
Navigate:






