A3986 双全桥MOSFET栅极驱动芯片
Update:2009-04-10 Views:11614
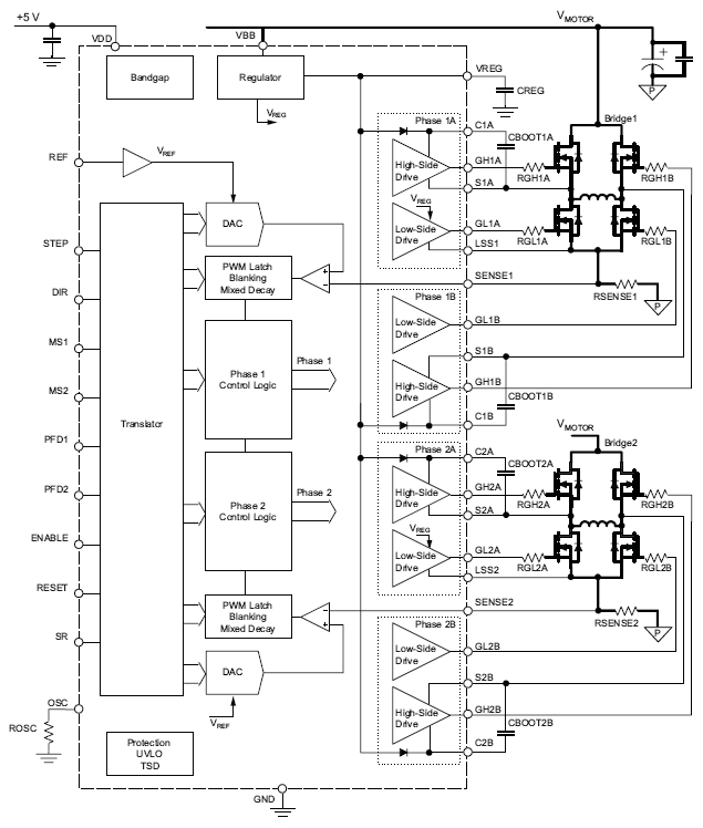
A3986——双全桥MOSFET栅极驱动芯片,带16微步译码器
特点:
- 2线控制,步进和方向;
- 双全桥栅极驱动N沟道 MOSFET;
- 供电电压12V-50V
- 同步整流
- 交叉短路保护
- 可调节的混合衰减模式
- 内部集成正弦表DAC电流参考源
- 固定关断时间PWM恒流控制
简介
A3986是一款集成了微步译码器的双全桥驱动器芯片,可用于驱动各种大功率工业2相双极性混合式步进电机(功率从30W到500W),电机驱动电流由外部功率场效应管供给,驱动电压从12V到50V。
此款芯片内置2个正弦表DAC,可为两个独立固定关断时间PWM恒流控制器提供参考源。用以实现外部功率场效应管的恒流控制。
电机运动通过两线端口控制:步进短和方向端。可提供的细分模式有:全步、半步、四细分、十六细分。固定关断时间恒流控制器可设置为慢衰减、快衰减和混合衰减模式,用以降低电机的可闻噪音,增加步距角精度和减少损耗。
芯片内置译码器可大大降低系统的复杂程度。在STEP端输入脉冲即可让电机前进一步,无需相序表、高频控制信号以及复杂的程序界面。可省掉一个微控制器。
芯片集成自举电路,用以产生驱动上桥臂N沟道场效应管所需的高于电源的电压,同步整流技术可提高系统效率,内置的交叉短路保护电路和可编成死区电路为外部场效应管提供最大的保护。

此类产品本公司大量原装现货热卖
询价热线:
0755-83283733, 83031813,33062500
QQ:623069669
MSN:sumzi003@sumzi.com sumzi006@sumzi.com
Email:sumzi@sumzi.com
Pre:关机彩铃业务解决方案 2026-02-04
Next:MCP73831T-2ACI/OT 订货期超快 2026-02-04

Collect
Navigate:






