T6321A 恒流输出:350MA
Update:2009-04-10 Views:7387
主要参数
T6321A_pre_a.pdf
型号:T6321A
输入电压:DC 6.0V-18V
恒流输出:350MA
封装类型:SOT23-3
工作温度:-40——+85℃
最大焊接温度:260℃
备注:
宽压输入,转换效率80%以上,稳定,抗干扰强,电路简单,散热性能好(IC底部有供散热的芯片,利用它至少可降低IC核心10度,延长IC使用寿命)。
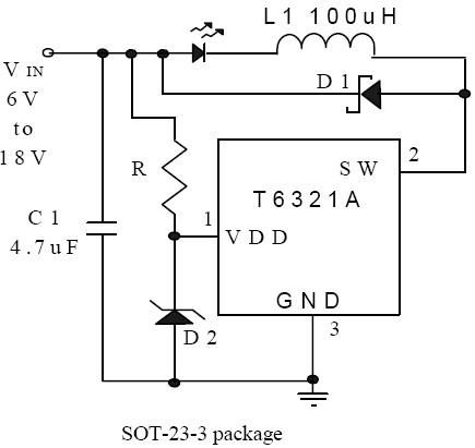
T6321A 的典型应用电路:

Pre:T6325A 技术参数 2026-02-06
Next:基于“飞电容”技术的动力锂离子电池组保护系统 2026-02-06

Collect
Navigate:






