无线病房呼叫系统的设计
1 引言
目前医院使用的病房呼叫系统多为有线呼叫系统,存在布线复杂、布线费用较高、易出故障、维修不便、明线不雅观等缺陷。本文介绍的无线呼叫系统没有上述缺点,安装方便,成本低,使用简单。
2 系统硬件设计
本系统利用MCS-51系列单片机的串行传输功能,将串行输出信号传送到发射电路,当信号为高电平时高频发射电路工作,并发射433 MHz等幅高频信号,当信号为低平时高频发射电路停止工作,所以高频发射电路完全受控于单片机串行输出的数字信号,对高频电路完成幅度键控(ASK调制)。采用超载波接收板接收高频信号,信号解码、声光报警、动态显示等功能由单片机完成。
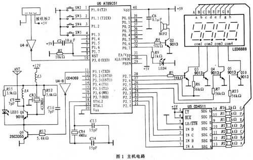
2.1 系统主机的设计
本系统的主机以AT89C51为核心,电路如图1所示,电源电路与从机电路电源部分(见图2)相同。


主机电路包括高频发射模块、超载波接收模块、数码显示驱动模块、键盘扫描、声光报警、复位电路等。待机情况下,数码管显示全零,声光报警电路均不工作。当病人按动安装在床头的从机按键时,安装在护士站的主机收到信号后发出3声“嘀”的提示音,同时发光二极管亮,数码管显示呼叫病人的床位号和
AT89C51中有一个全双工异步串行通信接口,可用作UATR(通用异步接收和发送器),也可用作同步移位寄存器。在本系统设计中,UATR为串行工作方式1。单片机以串行通信方式工作时,串行口检测到1个由“l”到“0”的跳变时开始启动串行接收,且单片机在非串行通信时段内的输出为“1”,所以在发射电路之前和接收模块之后均需再加1个非门,防止发射电路在非通信时一直处于发射状态,同时满足单片机串行通信要求,保证单片机能够正常收发数据。需要发射的数据信号从AT89C51的11引脚输出经反相后送到433MHz高频发射电路发射。该高频发射电路采用声表面波(SAW)谐振器稳频,性能稳定,无需任何调试即可正常工作。因为高频接收电路易受干扰,不易调试,而市售成品接收模块性能稳定,价格低,故本系统中采用成品接收模块,该接收模块收到的信号经反相后送入AT89C51的10引脚进行解码。
2.2 系统从机的设计
从机采用AT89C2051作为核心,主要完成串行通信、按键扫描、声光警报等功能。单片机的Pl口设定为用户可任意修改的数据脚,用户通过拨码器根据需要任意设定Pl口为高电平或低电平,共256种设置表示256个床位号,如图2所示。
电路中设有1个呼叫按键,当病人要呼叫护理总台时,只要按下按键,此时指示灯闪亮。主机收到呼叫后发出声光报警提醒值班医生或护士,如果值班医生或护士按主机回复键,则从机收到信号后发出声光警报,指示灯闪4次,蜂鸣器发出3声“嘀”,以提示病人医生或护士已经收到呼叫。从机的串行信号发射和接收电路与主机相同,不再详述。
3 软件设计
3.1 发射数据格式
单片机和接收模块工作时,通常用户可以自定义传输协议,不论用何种调制方式,所要传递的信息码格式都很重要,它将直接影响数据收发的可靠性。常用信息码格式为:前导码+同步码+数据帧。
前导码发射时间应大于10 ms,以避开背景噪声,因为接收模块接收到的第一位数据极易被干扰(即零电平干扰)而引起接收数据错误。所以在发射同步码前加一些前导码以抑制零电平干扰。同步码主要用于区别前导码及数据,有一定的特征,使软件通过一定的算法鉴别出同步码,同时做好接收数据准备。数据帧即是要传送的信号。
本系统是运用单片机的串行通信,数据每次发送4帧,第一帧为8位全0码,第二帧为8位全1码,这2帧数据是前导码,实践证明能良好抑制零电平干扰;第三帧为8位同步码,以不同的同步码构成256组不同的呼叫系统;第四帧8位表示256个不同的床位号。经过软件比较后,发现接收到的前2帧为全0码和全l码后才开始接收同步帧和数据帧。软件判断同步帧数据为本呼叫系统的同步码后解码数据帧,显示床位号和呼叫次数,并以声光报警。
3.2 主机软件设计
主机主程序主要完成系统参数的初始化、串口中断配置、按键扫描、键值处理、声光报警和扫描显示等,其流程如图3所示。串行发射和接收中断子程序的流程图如图4和图5所示。


3.3 从机软件设计
从机主程序流程如图6所示。从机串行发射和接收中断子程序的流程同主机相同。

4 几个可靠性问题的处理
选择合理的通信速率。接收数据模块的最大数据率为9.6K字节,一般控制在2.5K字节左右,过高的数据速率会降低接收灵敏度及增大误码率,甚至使系统根本无法正常工作。本系统的波特率为2 604 b/s。
51系列单片机工作时,会产生比较强的电磁辐射,主要频率在9 MHz~900 MHz,它会影响无线接收模块的灵敏度。解决方法:一是对接收模块采用独立的5 V电源;二是布板时应在单片机周围增加大面积地层以减小单片机的电磁辐射;三是使用尽量低的单片机振荡频率,本系统采用4 MHz晶体振荡器;四是对单片机进行屏蔽。同时采用这些措施能较好地解决灵敏度干扰问题。
另外,采用软件陷阱和软件冗余等技术可提高系统抗干扰能力。
5 结束语
本系统目前已投入生产,实际使用证明该系统工作可靠,故障率低,易于安装维护,使用方便。经实测,稳定可靠的呼叫距离可达100 m以上,能满足实际使用要求。只需延长发射信号的同步码和数据帧长度,就可方便地对系统进行功能扩展。
本系统不仅适用于医院病房,稍加改进还可广泛应用于需要多路防范戒备的防盗、大型停车场管理、酒店客房对总台呼叫、教学提问抢答、无线航模、多种动作控制的无线遥控玩具等场合。
Pre:A3936SED ALLEGRO 2026-02-05
Next:LM2575 超详细中文介绍 2026-02-05

Collect
Navigate:






