锂离子电池充电器扩流电路设计
小型便携式电子产品采用的锂离子电池或锂聚合物电池的容量较小,大部分在400~1000mAh范围内,与之配套的充电器的最大充电电流为450~1000mAh。由于电流不大,一般采用线性充电器。
新型线性锂离子电池充电器功能齐全、性能良好、电路简单、占印制版面积小,价格低廉,整个充电器可以在产品中。若采用
近年来,一些用电量稍大的便携式电子产品(如便携式DVD、矿灯、摄像机、便携式测量仪器、小型电动工具等)往往采用1500mAh到5400mAh容量的锂离子电池。若采用500~1000mA充电电流充电器充电,则充电时间太长。若按0.5C充电率来充3000mAh及5400mA时的电池时,其充电电池的容量要求为1500mA及2700mA。
有人提出:能否在1A线性充电器电路中加一个扩流电路,使充电电流扩大到2~2.5A,解决3000~5400mAh容量锂离子电池的充电问题。如果扩流的充电器性能不错、电路简单、成本不高,这是个好主意。笔者就按这一思路设计一个扩流电路。这电路采用型号为CN3056的1A线性充电器为基础,另外加上扩流电路及控制电路组成。
CN3056简介
CN3056充电器已在本刊2006年12期及2007年电源增刊上介绍过(“线性锂二次电池充电器
CN3056组成的充电器按恒流、恒压模式充电,若充电电池电压<3V,则有小电流预充电模式;充电电流可设定,最大充电电流为1A;精电密度4.2V ±1%、有热调节、欠压锁存及电池温度检测、超温保护及充电状态和温度超差指示功能;10引脚小尺寸DFN封装(3mm×3mm)。
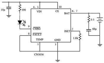
若充电率在0.5~1C之间、电池的温度在0~45℃之间(室温充电),则CN3056充电器电路中可省去电池温度检测电路及电池超温指示电路(引脚TEMP及FAULT端接地),电路如图1所示。VIN是电源输入端、CE是使能端,(高电平有效);RISET为充电电流

图1 由CN3056构成的充电电路
充电器扩流电路
充电器扩流电路是在原充电器电路上加上扩流电路组成的。扩流电路由两部分组成:扩流部分及控制部分。采用CN3056充电器为基础,加上扩流部分及控制部分电路如图2所示。现分别介绍其工作原理。

图2充电器电路
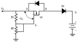
1 扩流部分电路
扩流部分电路如图3所示。它由P沟道

图3 括流部分电路

图4 P-MOSFET输出特性
2 控制部分电路
控制部分电路的目的是要保持原有的三阶段充电模式,在预充电阶段及恒压充电阶段不扩流,扩流仅在恒流阶段,如图5所示。

图5 括流电路的电流表现
原充电器以1A电流充电,若扩流电流为1A,则在恒流充电阶段时充电电流为2A。图5中红线为充电电池电压特性、黑线为充电电流特性,实线为加扩流特性,虚线为未加扩流特性。从图5可看出:扩流的充电时间t5比不扩流的时间要短(图5中的时间坐标并未按比例画);并且也可以看出:扩流仅在恒流充电阶段进行。
为保证扩流在电池电压3.0V开始,在电池电压4.15V时结束,控制电路设置了窗口比较器,在电池电压(VBAT)为3.0~4.15V之间控制P-MOSFET导通。在此窗口电压外,P-MOSFET截止。
在图2中,由R5、R6及R7、R8组成两个电压分压器(检测电池的电压VBAT),并分别将其检测的电压输入比较器P1及比较器P2组成的窗口比较器。R3、R4分别为P1及P2的上拉电阻,D2、D3为隔离二极管。充电电池电压VBAT与P1、P2的输出及P-MOSFET的工作状态如表1所示。
表1 充电电池电压和P-MOSFET工作状态


图6 窗口比较器电路
P-MOSFET的
1 扩流管P-MOSFET的功耗计算
P-MOSFET在扩流时的功耗PD与输出电压VIN电池电压VBAT、肖特基二极管的正向压降VF及扩流电流ID有关,其计算公式如下:
PD=VIN-(VBAT+VF)×ID (1)
其最大的功耗是在VIN(max)及VBAT(min)时,即在扩流开始时(VBAT=3V),则上式可写成:
PDmax=VIN(max)-(3V+VF)×ID (2)
若VIN(max)=5.2V、在ID=1A时,VF=0.4V,则PDmax=1.8W。选择的P-MOSFET的最大允许功耗应大于计算出的最大功耗。
2 P-MOSFET的散热
贴片式
这里还需要指出的是,不同封装的P-MOSFET,在同样的最大功耗时,其散热面积是不同的。例如采用SO-8封装的Si99XXDY系列P-MOSFET时,封装尺寸小、背面无金属散热垫,其散热面积要比用DPAK封装大得多。具体的散热面积由实验确定。
两种功率MOSFET
这里介绍两种P-MOSFET:Si9933DY及MTD2955E。
1 Si9933DY及MTD2955E的主要参数
Si9933DY及MTD2955E的主要参数见表2。

2引脚排列
Si9933DY引脚排列如图7所示,MTD2955E引脚排列如图8所示。

图7 Si9933DY引脚排列

图8 MTD2955E引脚排列
3输出特性
Si9933DY时可将两MOSFET并联应用,使功率增加一倍,PDS(ON)减小一半。采用Si9933DY可扩流1A。采用MTD2955E可扩流2A或2A以上。

图9 Si9933DY输出曲线

图10 MTD2955E输出曲线
结语
采用上述简单的扩流电路可增加充电电流到2~3A。但由于扩流管工作于线性状态,管耗大,效率60%~70%。若需要更大的充电电流还是用开关电源,它可获得更高的效率。
Pre:三相相序和缺相检测电路 TC783A 技术参数 2026-02-06
Next:可降低油耗的汽车电子系统 2026-02-06

Collect
Navigate:






