霍尔元件及其应用(三)
|
— 应用文章 —
|
|
霍尔元件及其应用(三)
铁磁材料受到磁场激励时,因其导磁率高,磁阻小,磁力线都集中在材料内部。若材料均匀,磁力线分布也均匀。如果材料中有缺陷,如小孔、裂纹等,在缺陷处,磁力线会发生弯曲,使局部磁场发生畸变。用霍尔探头检出这种畸变,经过数据处理,可辨别出缺陷的位置,性质(孔或裂纹)和大小(如深度、宽度等),图16示出两种用于无损探伤的探头结构。(b)检测线材用
(a)检测板材用
图16 用于无损探伤的两种霍尔探头 3.2.4 无损探伤 霍尔无损探伤已在炮膛探伤、管道探伤,海用缆绳探伤,船体探伤以及材料检验等方面得到广泛应用。 3.2.5 磁记录信息读出 用霍尔元件制成的磁读头,如图17所示,将写头和读头装在同一外壳里,采用长1mm,宽0.2mm,厚1.4μm的InSb霍尔元件,其信噪比比普通磁头高3db~5db,由于写头和读头间的间距很小,仅2.6mm,故可用一读头去监视几分之一秒之前录头录下的信息。
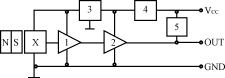
图17 霍尔磁头 霍尔读头的输出仅由记录信息的磁感应强度来决定,即使频率到零,输出仍然恒定,且因读头无电感,故可获得优异的瞬态响应。它的灵敏度随温度的变化也很小,约为0.01db/℃。采用适当的前置放大电路,可在0℃~50℃范围内保持±0.5db。 由于霍尔磁读头具备这些优点,因而在计算机中得到很重要的应用。特别在高密度垂直记录的磁盘的信息读出中,更能显示其优越性。专家预言,今后十年,霍尔读头很可能会占去磁阻头的部分市场。 3.2.6 霍尔接近传感器和接近开关 在霍尔器件背后偏置一块永久磁体,并将它们和相应的处理电路装在一个壳体内,做成一个探头,将霍尔器件的输入引线和处理电路的输出引线用电缆连接起来,构成如图18所示的接近传感器。它们的功能框见图19。(a)为霍尔线性接近传感器,(b)为霍尔接近开关。
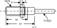
图18 霍尔接近传感器的外形图
a)霍尔线性接近传感器
(b)霍尔接近开关 图19 霍尔接近传感器的功能框图 霍尔线性接近传感器主要用于黑色金属的自控计数,黑色金属的厚度检测、距离检测、齿轮数齿、转速检测、测速调速、缺口传感、张力检测、棉条均匀检测、电磁量检测、角度检测等。 霍尔接近开关主要用于各种自动控制装置,完成所需的位置控制,加工尺寸控制、自动计数、各种计数、各种流程的自动衔接、液位控制、转速检测等等。3.2.7霍尔翼片开关 霍尔翼片开关就是利用遮断工作方式的一种产品,它的外形如图20所示,其内部结构及工作原理示于图21。
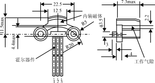
图20 霍尔翼片开关的外形图
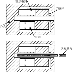
图21 霍尔翼片开关的内部结构和工作原理示意图
翼片未进入工作气隙时,霍尔开关电路处于导通态。翼片进入后,遮断磁力线,使开关变成截止态,它的状态转变的位置非常精确,在125℃的温度范围内位置重复精度可达50nm。将齿轮形翼片和轴相连,用在汽车点火器中作为点火开关,可得到准确的点火时间,使汽缸中的汽油充分燃烧,既可节约燃料,又能降低车辆排放的尾气的污染,已在桑塔那,克莱斯勒等许多名车中使用。将它们用在工业自动控制系统中,可作为转速传感器、位置开关、限位开关、轴编码器、码盘扫描器等。 |
Pre:霍尔元件及其应用(二) 2026-03-14
Next:霍尔元件及其应用(四) 2026-03-14

Collect
Navigate:







