News

行业资讯

Navigate:Home > News > 行业资讯 > Details

霍尔元件及其应用(六)

Update:2007-07-21 Views:13614
— 应用文章 —

                                                              霍尔元件及其应用(六)

图39霍尔电流传感器在逆变器中的应用

(CS为霍尔电流传感器)

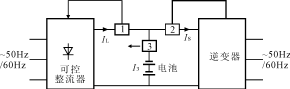
图40霍尔电流传感器在UPS中的应用

(1、2、3均为霍尔电流传感器)

图41霍尔电流传感器在电子点焊机中的应用

  3.2.12.3在逆变器中的应用

在逆变器中,用霍尔电流传感器进行接地故障检测、直接侧和交流侧的模拟量传感,以保证逆变器能安全工作。应用线路如图39所示。

3.2.12.4在不间断电源中的应用

如图40所示,霍尔电流传感器1发出信号并进行反馈,以控制晶闸管的触发角,电流传感器2发出的信号控制逆变器,传感器3控制浮充电源。用霍尔电流传感器进行控制,保证逆变电源正常工作。由于其响应速度快,特别适用于计算机中的不间断电源。

3.2.12.5在电子点焊机中的应用

在电子点焊机电源中,霍尔电流传感器起测量和控制作用。它的快速响应能再现电流、电压波形,将它们反馈到可控整流器A、B,可控制其输出。用斩波器给直流迭加上一个交流,可更精确地控制电流。用霍尔电流传感器进行电流检测,既可测量电流的真正瞬时值,,又不致引入损耗,如图41所示。

3.2.12.6用于电车斩波器的控制

电车中的调速是由调整电压实现的。将霍尔电流传感器和其它元件配合使用,并将传感器的所有信号输入控制系统,可确保电车正常工作。其控制原理示

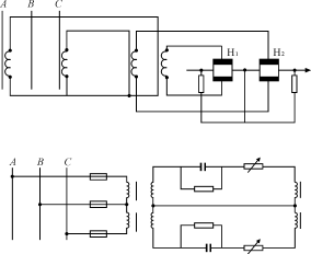
图42霍尔电流传感器在电车斩波器中的应用

图43在变频调速电机中的应用

(I,R,S,T均为霍尔电流传感器)

图44用于电能管理的霍尔电流传感器

图45霍尔接地故障检测器的原理和结构

于图42。图中,SCR1是主串联晶闸管,SCR2为辅助晶闸管,Lo、Co组成输入滤波器,Ls是平滑扼流圈,M1~M5是霍尔电流传感器。

3.2.12.7在交流变频调速电机中的应用

用变频器来对交流电机实施调速,在世界各发达国家已普遍使用,且有取代直流调速的趋势。用变频器控制电机实现调速,可节省10%以上的电能。在变频器中,霍尔电流传感器的主要作用是保护昂贵的大功率晶体管。由于霍尔电流传感器的响应时间短于1μs,因此,出现过载短路时,在晶全管未达到极限温度之前即可切断电源,使晶体管得到可靠的保护,如图43所示。

3.2.12.8用于电能管理

图44给出一种用于电能管理的电流传感器的示意图。图中,12是通电导线,11是导磁材料带,17是霍尔元件,19是霍尔元件的输入、输出引线。由此构成的电流传感器,可安装到配电线路上进行负载管理。霍尔器件的输出和计算机连接起来,对用电情况进行监控,若发现过载,便及时使受控的线路断开,保证用电设备的安全。用这种装置,也可进行负载分配及电网的遥控、遥测和巡检等。

3.2.12.9在接地故障检测中的应用

在配电和各种用电设备中,可靠的接地是保证配电和用电设备安全的重要措施。采用霍尔电流传感器来进行接地故障的自动监测,可保证用电安全。图45示出一种霍尔接地故障监测装置。

3.2.12.10在电网无功功率自动补偿中的应用

电力系统无功功率的自动补偿,是指补偿容量随负荷和电压波动而变化,及时准确地投入和切除电容器,避免补偿过程中出现过补偿和欠补偿的不合理和不经济,使电网的功率因数始终保持最佳。无功功率的自动采样若用霍尔电流、电压传感器来进行,在保证“及时、准确”上具有显著的优点。因为它们的响应速度快,且无相位差,如图46所示。

图46电网无功功率自动补偿控制器的原理框图

3.2.12.14霍尔钳形电流表

将磁芯做成张合结构,在磁芯开口处放置霍尔器件,将环形磁芯夹在被测电流流过的导线外,即可测出其中流过的电流。这种钳形表既可测交流也可测直流。图48示出一种数字钳形交流电流表的线路。

用钳形表可对各种供电和用电设备进行随机电流检测。

3.2.13电功率测量

使负载电压变换,令其与霍尔器件的工作电流成比例,将负载电流通入磁芯绕组中,作为霍尔电流传感器的被测电流,即可构成霍尔功率计。由霍尔器件输出的霍尔电压来指示功率,其工作原理如图49所示。

3.2.12.11在电力工频谐波分析仪中的应用

在电力系统中,电网的谐波含量用电力工频谐波仪来进行测试。为了将被测电压和电流变换成适合计算机A/D采样的电压,将各种电力工频谐波分析仪的取样装置,如电流互感器、电压互感器、电阻取样与光隔离耦合电路等和霍尔电流传感取样测试对比,结果表明霍尔电流传感器最为适用。对比结果如表8所示。

表8电力工频谐波分析仪中使用的3种接口部件

的比较(LEM模块是一种霍尔零磁通电流传感器)

  CT和PT 电阻取样与光耦隔离电路 LEM模块
线性度 <0.5% <0.1%
频率范围 较窄 0~30kHz 0~100kHz
对各次谐波幅度有否衰减及衰减一致性 有,不一致
对各次谐波有否相移及相移一致性 有,不一致 很小,可以忽略 很小,可以忽略
所需电源 不需要 二组 一组
辅助电路 恒温电路
体积
重量
安装是否方便 不便 不便 方便
调试难易程度 容易 较难 容易

接口部件

性能、特点3.2.12.12在开关电源中的应用

近代出现的开关电源,是将电网的非稳定的交流电压变换成稳定的直流电压输出的功率变换装置。无论是电压控制型还是电流控制型开关电源,均采用脉冲宽度调制,借助驱动脉冲宽度与输出电压幅值之间存在的某种比例关系来维持恒压输出。其中,宽度变化的脉冲电压或电流的采样、传感等均需用电流、电压传感器来完成。霍尔电流、电压传感器以其频带宽、响应时间快以及安装简便而成为首选的电流、电压传感器。

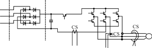
3.2.12.13在大电流检测中的应用

在冶金、化工、超导体的应用以及高能物理(例如可控核聚变)试验装置中都有许多超大型电流用电设备。用多霍尔探头制成的电流传感器来进行大电流的测量和控制,既可满足测量准确的要求,又不引入插入损耗,还免除了像使用罗果勘斯基线圈法中需用的昂贵的测试装置。图47示出一种用于DⅢ-D托卡马克中的霍尔电流传感器装置。采用这种霍尔电流传感器,可检测高达到300kA的电流。

图47(a)为G-10安装结构,中心为电流汇流排,(b)为电缆型多霍尔探头,(c)为霍尔电压放大电路。

(a)G10安装结构(b)电缆型多霍尔探头(c)霍尔电压放大电路

图47多霍尔探头大电流传感器

图48霍尔钳形数字电流表线路示意图

图49霍尔功率计原理图

(a)霍尔控制电路

(b)霍尔磁场电路

图50霍尔三相功率变送器中的霍尔乘法器

图51霍尔电度表功能框图

图52霍尔隔离放大器的功能框图

3.2.13.1霍尔三相功率变送器

利用霍尔器件的乘法器功能,还可构成三相功率变送器,用以检测三相平衡或不平衡负载电路的三相有功功率和无功功率。图50示出霍尔三相功率变送器的乘法器。将其霍尔电压经滤波、放大和输出变换后,将三相功率量变成直流电压和电流。直流电压可供给远动装置、巡检装置等,直流电流可供给近距离测量及仪表等。三相功率变送器是实现电网自动化不可缺少的一个环节。

3.2.13.2构成电度表

在前述功率计后加上V/f变换及分频计数,即可构成电度表,加上磁卡读出装置,可构成磁卡电度表。

图51示出霍尔磁卡电度表的功能框图。

以霍尔器件为功率指示器,还可构成各种各样的功能电表,在这些电表中加入一些功能电路可构成例如带绝缘缺陷检测的电度表,窃电检测电度表等。以霍尔器件的基本功能为基础,还可能集成多功能家用电表,可同时显示电流、电压,用电度数及电费、功率因数、谐波电压等等。霍尔电度表可能成为最佳的智能电度表之一。

3.2.14霍尔隔离放大器

霍尔隔离放大器的原理框图示于图52,是以霍尔元件为中心,构成一个自平衡弱电流比较仪,用以取代变压器耦合隔离放大器中的调制、解调系统,使线路简化。仔细调整电流比较仪的电路,将放大器的频带大大展宽,使之可达DC~2MHz,而且保持了磁耦合隔离放大器的增益精度和光耦合隔离放大器的线性度,是一种高精度宽频带的隔离放大器。隔离放大器在空间技术、计算机技术、医疗和仪器仪表中有十分重要的应用。

3.2.15用作电磁隔离耦合器

用霍尔电流传感器的工作原理,可做成电磁耦合器。用初级线圈的电流控制霍尔器件的输出,用这个输出信号控制其它的电路,既收到隔离的效果,又达到耦合的目的。用这种电路可做成霍尔继电器、过载保护器、通信线路的保护开关等等。

这种电磁耦合器既可做成开关式,也可做成模拟量输出式。

此外,用霍尔器件还可检测异步电机的转差率和转速;测量磁性材料的磁化强度、各向异性、旋转损耗和时间效应;测量直流电机的电磁力矩等等;还可和热磁材料组合起来,构成热磁开关。霍尔器件已实现的各种应用如表9所列。

4.结束语

这里的介绍,除霍尔电流传感器外,都仅简述了应用中磁信息的采集和磁电转换的简单原理,对输出信号的处理和应用,没有作具体讨论。好在霍尔器件的输出,可与各种逻辑电路直接接口,还可以直接驱动各种性质(例如电阻性、电感性等)的负载,使用者可根据需要进行处理。

总之,因为霍尔器件的应用原理简单,信号处理方便,器件本身又具有一系列的独特优点,使其应用组合千变万化。作为一种磁场传感器和磁电转换的基础器件,随着人们对它的熟悉和了解,它们将象其他传感器等基础器件一样,在各种信息采集和处理中发挥越来越重要的作用。

本文引用了大量的文献资料,本应列出文献目录,一一说明出处,但因篇幅过长,谨此向各文献作者致谢和致歉。

(完)

Applications|Products|Solutions|News|Partners|Supports|Contact
Copyright © 2002-2026Copyright @ 2017 Sumzi Electric Technical Co,.Ltd Of SHENZHEN . All rights reserved.No.11091659 for ICP Registration Purpose in Guangdong