TLE4966H 方向检测型传感器 响拇指电子 原装正品行货 100%正品 现货热卖 销售热线:13802553295 曾小姐
| |||||||||||||||||
TLE4966H 详细介绍TLE4966H 型号INFINEON 品牌系列产品 TLE4966H TLE4966H 批号 07+ROHS TLE4966H 数量 12000 TLE4966H 封装 6-lead SOIC TLE4966H 包装 3000PCS/reel TLE4966H 备注 2.7V to 24V TLE4966H PDF技术资料 TLE4966H 询价 询价与销售热线: 联系人:曹工 13802553295 0755-83031813---33062500 转 801 QQ:623069669 MSN:sumzi006@sumzi.com Email:sumzi006@sumzi.com http://www.sumzi.com | |||||||||||||||||
DATASHEET PDF
TLE4966H.pdf
Features
· 2.7V to 24V supply voltage operation
· Operation from unregulated power supply
· High sensitivity and high stability of the
magnetic switching points
· High resistance to mechanical stress by active
error compensation
· Reverse battery protection (-18V)
· Superior temperature stability
· Peak temperatures up to 195°C without
damage
· Low jitter (typ. 1µs)
· Digital output signal
· Bipolar version
· Excellent matching between the 2 Hal probes
· Hal plate distance 1.45mm
· Direction & speed information
· Direction signal switches 1 µs before the speed signal
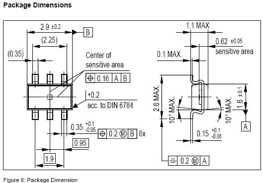
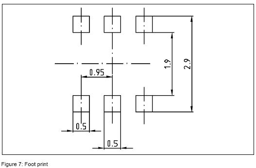
· SMD package P-TSOP-6-6-3
Functional Description
The TLE4966H is an integrated circuit double Hall-effect sensor designed specifically for
highly accurate applications. Precise magnetic switching points and high temperature
stability are achieved by active compensation circuits and chopper techniques on chip.
The TLE4966H provides a speed signal at Q2 for every magnetic pole pair and a direction
information at Q1. The direction output switches 1µs (min.) before the speed output.
Circuit Description
The chopped Double Hall Switch comprises two Hall probes, bias generator,
compensation circuits, oscillator, and output transistors.
The bias generator provides currents for the Hall probes and the active circuits.
Compensation circuits stabilize the temperature behavior and reduce technology
variations.
The Active Error Compensation rejects offsets in signal stages and the influence of
mechanical stress to the Hall probes caused by molding and soldering processes and
other thermal stresses in the package. This chopper technique together with the threshold
generator and the comparator ensures high accurate magnetic switching points.












Pre:应用越来越广泛的直流电机,驱动电路设计 2026-03-21
Next:霍尔传感器(HALL IC)在冰箱中的应用 2026-03-21

Collect
Navigate:







