电机驱动ICA3988SEVTR-T/A3988SJP-T 两种封装 可供选择 ALLEGRO品牌 原装正品
Update:2010-07-29 Views:7515
| A3988SEVTR-T - 属性 | |
| 应用 : | 直流电机驱动器,步进电机驱动器 |
| 电压 : | 3 V ~ 5.5 V |
| 工作温度 : | -20°C ~ 85°C |
| 封装/外壳 : | 36-QFN |
| 包装 : | 带卷 (TR) |
| 输出数 : | 4/2 |
| 电流 - 输出 : | ±1.2A |
| 电压 - 负载 : | 8 V ~ 36 V |
销售直线:18938045123, 18938044669,0755-83031813, 83298733,
传真:0755-83299282, 22645259
邮箱: sumzi002@sumzi.com sumzi006@sumzi.com tech@sumzi.com
MSN: sumzi002@sumzi.com sumzi006@sumzi.com tech@sumzi.com
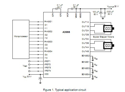
A3988SEVTR-T - 功能图:

Pre:ATS665LSGTN-T True Zero Speed, High Accuracy, Gear Tooth Sensor 2026-02-06
Next:S658EUA-T 大功率手电筒专用霍尔 单极开关 热卖! 2026-02-06

Collect
Navigate:






