SS569无刷电机霍尔位置传感器
Update:2014-04-29 Views:8723
霍尔传感器在直流无刷电机中监测转子磁场相对于定子绕阻的位置,并在确定的相对位置上发出信号控制功率放大元件,使定子绕阻中的电流进行切换.
操作原理
每一次换向都会有一组绕组处于正向通电;第二组反相通电;第三组不通电。转子永磁体的磁场和定子钢片产生的磁场相互作用就产生了转矩,理论上,当这两个磁场夹角为90°时会产生最大的转矩,当这两个磁场重合时转矩变为0,为了使转子不停的转动,那么就需要按顺序改变定子的磁场,就像转子的磁场一直在追赶定子的磁场一样,所以需要霍尔传感器感应磁极,然后放大信号传达控制单元,从而改变电流方向,改变磁场方向,不间断的产生转矩,使转子不停的转动.
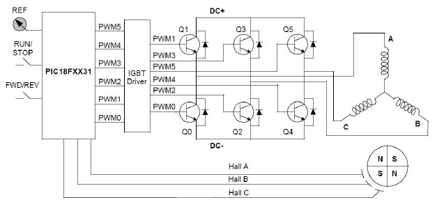
下面是无刷电机的电路控制基本结构图,由电机本体,位置传感器,控制单元和驱动单元组成.

霍尔元件位置的安排上在无刷电机上有60°夹角和120°夹角两种,下图是霍尔在电机中60°夹角典型的安装位置:

更多资讯:QQ:2355783133 /18938044669
Pre:无刷电机霍尔SS559 SEC双极锁存霍尔元件 2026-04-18
Next:Sumzi畅销霍尔传感器关键技术参数对比 2026-04-18

Collect
Navigate:






