新闻资讯

\ News

行业资讯

当前位置:首页 > 新闻资讯 > 行业资讯 > 详情

步进电机驱动电路

发布时间:2009-07-24 浏览:4250次

概述
步进电机是一种将电脉冲转化为角位移的执行机构,可以通过控制脉冲个数来控制角位移量,从而达到准确定位的目的;同时可以通过控制脉冲频率来控制电机转动的速度和加速度,从而达到调速的目的。


目前,对步进电机的控制主要有由分散器件组成的环形脉冲分配器、软件环形脉冲分配器、专用集成芯片环形脉冲分配器等。本设计选用第三种方案,用PMM8713三相或四相步进电机的脉冲分配器、SI-7300A两相或四相功率驱动器,组成四相步进电机功率驱动电路,以提高集成度和可靠性,步进电机控制框图见图1。

图1 步进电机控制系统框图

硬件简介


● PMM8713原理框图及功能


PMM8713是日本三洋电机公司生产的步进电机脉冲分配器,适用于控制三相或四相步进电机。控制三相或四相步进电机时都可以选择3种励磁方式,每相最小吸入与拉出电流为20mA,它不仅满足后级功率放大器的输入要求,而且在其所有输入端上均内嵌施密特触发电路,抗干扰能力强,其原理框图如图2所示。

图2 PMM8713的原理框图


在PMM8713的内部电路中,时钟选通部分用于设定步进电机的正反转脉冲输入发。PMM8713有两种脉冲输入法:双脉冲输入法和单脉冲输入法。采用双脉冲输入法时,CP、CU两端分别输入步进电机正反转的控制脉冲。当采用单脉冲输入时,步进电机的正反转方向由U/D的高、低电位决定。


激励方式控制电路用来选择采用何种励磁方式。激励方式判断电路用于输出检测;而可逆环形计数器则用于产生步进电机在选定的励磁方式下的各相通断时序信号。


● SI-7300A的结构及功率驱动原理


SI-7300A是日本三青公司生产的高性能步进电机集成功率放大器,该器件为单极性四相驱动,采用SIP18封装。


步进电机功率驱动级电路可分为电压和电流两种驱动方式。电流驱动方式最常用的是PWM恒流斩波驱动电路,也是最常用的高性能驱动方式,其中一相的等效电路图如图3所示。

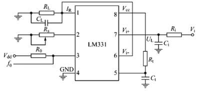
图3 LM331电压/频率变换电路


● LM331芯片


LM331是美国国家半导体公司生产的双列直插式8脚芯片,只需接入几个外部元件就可以方便地构成电压/频率(V/F)变换电路,电路如图4所示。

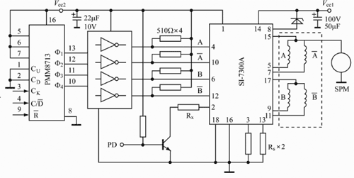
图4 四相步进电机功率驱动电路


LM331的输出频率和输入电压存在如下关系:f0=Vi/(IRt1RL),其中t1由外接的定时元件Rt和Ct决定,t1=1.1RtCt,IR由内部精密电流源提供,IR=1.9V/RS。故f0=ViRS/(2.09RtRLCt)。RS为可调电阻,它的作用是调整LM331的增益偏差。Ct为滤波电容,一般为 0.01~0.1μF,在滤波效果较好的情况下,可使用1μF的电容。为了提高精度和稳定度,组容元件选用低温度系数的器件。

应用举例


用PMM8713步进电机环形分配器与SI7300A步进电机功率放大器设计了一个四相步进电机功率驱动电路,PMM8713采取单脉冲输入、1-2相励磁方式,电路如图5所示。图中PD控制端为SI7300A的输入电流I0调节端,可悬空或接高电平,接高电平时可适当提高SI7300A的输出电流I0,在本应用系统中悬空使用。图中PMM8713的时钟脉冲输入信号由LM331(V/F)输出,方向控制信号和步进电机的起停信号由窗口比较电路给出。

图5 窗口比较电路


窗口比较电路为步进电机提供方向控制信号和步进电机的起停控制信号,电路如图6所示。其中,U1、U2为数控等离子切割机弧压的上、下限电压,Ui为检测到的弧压。当Ui>U1,V3输出为高电平,V4输出为低电平,V5输出为高电平;当U2<Ui<U1,V3和V4输出均为高电平,V5输出为低电平;当Ui<U2,V3输出为低电平,V4输出为高电平,V5输出为高电平。将V3输出或V4输出作为步进电机的方向控制信号,V5作为步进电机的起停控制信号。脉冲控制信号由LM331输出信号提供。


方向控制信号V3或V4输出端接PMM8713的C/D,控制步进电机的正反转;U5输出端接PMM8713的复位端R,控制步进电机的起停。LMM331(V/F)输出端f0接PMM8713的CK,为步进电机提供脉冲控制信号。由此可见,当U2<Ui<U1时,V5输出为低电平,步进电机不运动;当Ui>U1或者Ui<U2时,V5输出为高电平,步进电机运动(步进电机的正反转由方向控制信号控制)至U2<Ui<U1的范围内,从而保证Ui始终位于U2<Ui<U1范围内。

        更多精彩请点击响拇指官方网站:http://www.sumzi.com

案例中心|产品中心|解决方案|新闻资讯|合作伙伴|技术支持|联系我们
Copyright © 2002-2025 深圳响拇指电子科技有限公司 版权所有 粤ICP备11091659号 0755-83031813