基于Verilog-HDL描述的多用途步进电机控制芯片的设计
常用的步进电机控制系统,采用微机控制,用软件实现其步进脉冲的产生。这种方法程序量大,占用CPU时间较多,限制了步进电机速度的进一步提高,而且软件方式的抗干扰性能较差,在EMI较严重的场合其可靠性不如纯硬件电路。在硬件中,环形分配器逻辑关系复杂,用传统的分立元件实现,电路规模大,连接线复杂,灵活性差,功耗较大,其系统可靠性也不尽人意。
ISP(In-system Programming)技术是由Lattice半导体公司首先提出的一种新技术,它以大规模可编程逻辑器件为核心,具有对电子器件、电路板、甚至整个电子系统的逻辑和功能进行动态重组的能力。它可以取代几乎所有的74系列芯片,可根据需要自主配置其硬件资源,电路功耗低,是硬件软件化的关键。
传统的电子系统设计,多采用原理图输入,过程复杂,只能从结构上对电路进行描述,设计灵活性差。现代的EDA/ESDA设计工具,均采用HDL(HardwareDescription Language)作为设计输入,它可以从电路行为级开始建模,设计效率高,灵活性强。VHDL是国际上第一个标准化的HDL(IEEE-1076),而VerilogHDL是1995年实现标准化的新HDL标准(IEEE-1364),其描述方式接近C语言,编写风格简明,代码效率高,并支持模拟仿真。用它描述的步进电机控制系统,结构明晰,可扩展性好。经综合生成网表下载后就可生成硬件电路。
2 芯片设计思想概述
2.1 总体架构
整个芯片采用模块化设计方式,TOP-DOWN的设计方法。
该芯片共有三种驱动工作模式:波驱动(Wave)模式、半步驱动(Half Step)式,全步模式。
波驱动模式也称四相单四拍工作模式,电机的四个绕组分别轮流通电;全步模式也称四相双四拍工作模式,每一时刻,电机总有两相绕组同时通电;半步模式也称四相八拍控制方式。这种工作模式下,步进电机每一步的步距仅为全步模式的一半,常用于精密定位。
上述三种工作模式由芯片的模式输入(mode)指定切换。芯片上还配置正反转输出控制(fw),复位控制(rst)和紧急停车控制(en)。芯片结构示意图见图1。
脉冲产生部分:该部分实际上是一系列特殊的计数器,每当CP时钟的上升沿到来时,计数器输出下一状态,驱动步进电机。
时钟控制部分:该部分实际上是带输入控制的同相门。当en=0时,门被封锁,输出高阻态;en=1时,门打开,CP通过该门输入。该部分可用作停车控制。与MCU接口时,CP可由单独的振荡电路提供,MCU不用干预CP的产生,可节省MCU时间。
输入输出逻辑控制:该部分包括输出选择,模式选择,复位控制,方向控制,全桥驱动抑制信号控制。这一部分在设计的顶层模块中描述。
3 各模块的设计
根据各部分的功能,将全系统分为脉冲产生模块、时钟控制模块和顶层模块三部分。
各模块关系如图2所示。 3.1 脉冲产生电路的设计
根据步进电机三种不同驱动方式的特点,列出驱动口的真值表,利用状态机的方法建立相应模型。
在Verilog语言中,可以将时钟信号上升沿设置为触发的敏感事件,用case语句实现状态的转移,由if-else检测正反转控制信号和rst信号。每当cp的上升沿到来时,电路输出下一状态。fw=1时,电机正转,fw=0反转,rst=0时输出复位,rst=1时正常工作。每个Verilog模块以module开头,以endmodule结束。
下面给出半步驱动模式源程序:



以上程序是否满足设计功能要求呢?为此,我们编写了测试程序,并在Active-HDL仿真平台下进行功能验证。由于各模块功能引脚类似,下面只给出半步驱

其仿真波形如图3所示。
3.2 时钟控制模块设计
本电路是时钟信号传输的通道,电路时钟输出端cpd接至脉冲输入cp端。当en=1时,系统正常工作,cpd=cp;en=0时,cpd输出高阻态,无时钟脉冲输入到脉冲产生器。en可作为紧急停车控制。
源程序如下:


3.3 驱动抑制信号的设计
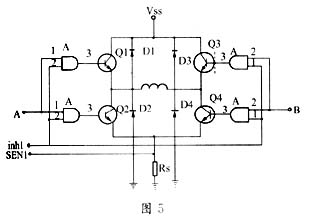
在本设计中,输出驱动采用L298高压大电流双H桥芯片,输入为逻辑电平,具有输入抑制功能。下面以两相双极步进电机接法来说明驱动抑制信号的作用。
L298可接入Rs作为电流反馈。正常工作时(A=1,B=0),电流通路为Vss-Q1-L-Q4-Vdd。由驱动波形分析可知,在波驱动和半步模式下,当换流时(A=B=0),Q4没有关断,续流通道Vdd-D2-L-Q4-Rs-Vdd,这样不仅会延长绕组电流衰减时间,还会增大Rs上的功耗。为解决这一矛盾,特引入抑制信号inh。此时若使抑制信号inh=0,就可强制Q1、Q2、Q3、Q4全部关断,此时,换流通道Vdd-D2-D3-Vss。当抑制信号有效时,还能防止信号串扰。
图5是L298其中一个全桥的示意图。其中,A、B两路信号分别用于控制两个桥臂,当A、B两路信号不同时为0时,驱动抑制inh=1,不产生抑制作用;当A=B=0时,inh=0,产生抑制。
由上述分析可知:inh1=A+B,inh2=C+D(inh1,inh2分别为左右两桥的驱动抑制信号)。
3.4 顶层模块设计
顶层模块中包括有输出选择,驱动模式选择,复位控制,方向控制及全桥驱动抑制信号控制。因此,根据系统控制要求,调用上述所有的模块,是顶层模块的主要任务。当mode=00时,输出为波驱动模式,mode=01时,输出为全步模式,mode=10时,输出为半步模式,mode=11时,err=1,报错,输出为高阻态。抑制输出为in1、in2,全步模式时in1、in2输出均为1。
顶层设计源程序如下:





根据顶层模块的功能,我们设计了该模块的测试程序,并进行了仿真。由波形分析可见,完全达到设计要求。下面给出mode=10时,半步驱动的输出波形。顶层仿真波形如下:
由于各模块的独立性,在物理测试过程中可对各模块分开综合调试,以此确保硬件电路能同时满足预期的功能和逻辑约束条件。本设计使用Syplify作为综合器,生成edif文件后,用lattice的ispEXPERTComplier生成jed文件,再用ispDCD配合JTAG电缆下载至lattice ispLSI1032中进行硬件电路验证。
更多精彩请点击响拇指官方网站:http://www.sumzi.com
上一篇:磁阻式步进电机的工作原理 2025-11-03
下一篇:舞蹈机器人步进电机驱动电路和程序设计 2025-11-03

收藏本站
当前位置:














