ATS657LSHTN-T 速度和方向检测齿轮传感器
ATS657LSH
Dynamic, Self-Calibrating, Threshold-Detecting, Differential Speed and Direction Hall-Effect Gear Tooth Sensor IC
Features and Benefits
- Rotational direction detection
- High start-up and running mode vibration immunity
- Single-chip sensing IC for high reliability
- Internal current regulator for two-wire operation
- Variable pulse width output protocol
- Automatic Gain Control (AGC) and offset adjust circuit
- True zero-speed operation
- Wide operating voltage range
- Undervoltage lockout
- ESD and reverse polarity protection
Description
The ATS657 includes an optimized Hall-effect sensing integrated circuit (IC) and rare earth pellet to create a user-friendly solution for direction detection and true zero-speed, digital gear tooth sensing in two-wire applications. The small package can be easily assembled and used in conjunction with a wide variety of gear tooth sensing applications.
The IC employs patented algorithms for the special operational requirements of automotive transmission applications. The speed and direction of the target are communicated by this two-wire device through a variable pulse width output protocol. The advanced vibration detection algorithm systematically calibrates the IC on the initial teeth of a true rotation signal and not on vibration, always guaranteeing an accurate signal in running mode. Even the high angular vibration caused by engine cranking is completely rejected by the device.
Patented running mode algorithms also protect against air gap changes whether or not the target is in motion. Advanced signal processing and innovative algorithms make the ATS657 an ideal solution for a wide range of speed and direction sensing needs.
The device package is lead (Pb) free, with 100% matte tin leadframe plating.
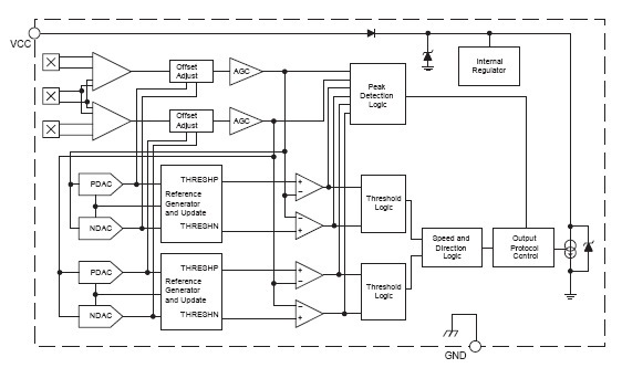
Functional Block Diagram

-40 °C to 150 °C --------黄少华13802552672
ATS657LSHTN-T
4-pin SIP
上一篇:A3941KLPTR-T 28-lead TSSOP 5.5至50 V电源电压范围 2025-11-03
下一篇:霍尔锁存器在极端环境下的应用 2025-11-03

收藏本站
当前位置:






