传感器 A3240LLHLT ALLEGRO 芯片 原装 提供PDF 技术资料
Update:2009-04-09 Views:5865
【产品名称】A3240LLHLT
【产品类别】 霍尔传感器
【产品应用】 精密开关霍尔效应
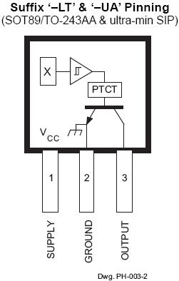
【产品封装】3-lead SOT
【生产厂家】ALLEGRO
【产品说明】
CHOPPER-STABILIZED, PRECISION
HALL-EF FECT SWITCH
HALL-EF FECT SWITCH

ABSOLUTE MAXIMUM RATINGS
at TA = +25°C
Supply Voltage, VCC .......................... 26.5 V
Reverse Battery Voltage, VRCC .......... -30 V
Magnetic Flux Density, B ............ Unlimited
Output OFF Voltage, VOUT .................. 26 V
Continuous Output Current,
IOUT ......................................... 25 mA*
Reverse Output Current, IOUT ......... -50 mA
Package Power Dissipation, PD See Graph
Junction Temperature, TJ ................ +165°C
Operating Temperature Range, TA
Range ‘E’ ..................... -40°C to +85°C
Range ‘L’.................... -40°C to +150°C
Storage Temperature Range,
TS .............................. -65°C to +170°C
*Internal current limiting is intended to protect
the device from output short circuits.
Reverse Battery Voltage, VRCC .......... -30 V
Magnetic Flux Density, B ............ Unlimited
Output OFF Voltage, VOUT .................. 26 V
Continuous Output Current,
IOUT ......................................... 25 mA*
Reverse Output Current, IOUT ......... -50 mA
Package Power Dissipation, PD See Graph
Junction Temperature, TJ ................ +165°C
Operating Temperature Range, TA
Range ‘E’ ..................... -40°C to +85°C
Range ‘L’.................... -40°C to +150°C
Storage Temperature Range,
TS .............................. -65°C to +170°C
*Internal current limiting is intended to protect
the device from output short circuits.




了解更多信息请联系我司(国内)ALLEGRO 销售热线
Pre:FAN8200MTCX 特价供应 提供 报价 技术参数(PDF文档)下载 产品专线:0755-83031813 王小姐 2026-02-08
Next:热卖供应 STA403A 提供 报价 技术参数下载 咨询专线:0755-83031813 2026-02-08

Collect
Navigate:







