A3936 技术资料及报价(附PDF文档)
Update:2007-07-27 Views:12702
A3936
Three-Phase Motor Controller / Driver with Integrated 3 A DMOS Drivers
Sumzi Electronics Co., Ltd
3936.pdf
Features
- ±3 A, 50 V Continuous Output Rating
- Low rDS(on) Outputs (typically 500 milliohm source, 315 milliohm sink)
- Configurable Mixed, Fast and Slow Current-Decay Modes
- Synchronous Rectification for Low Power Dissipation
- Internal UVLO and Thermal-Shutdown Circuitry
- Crossover-Current Protection
- Tachometer Output for External Speed-Control Loop
Description
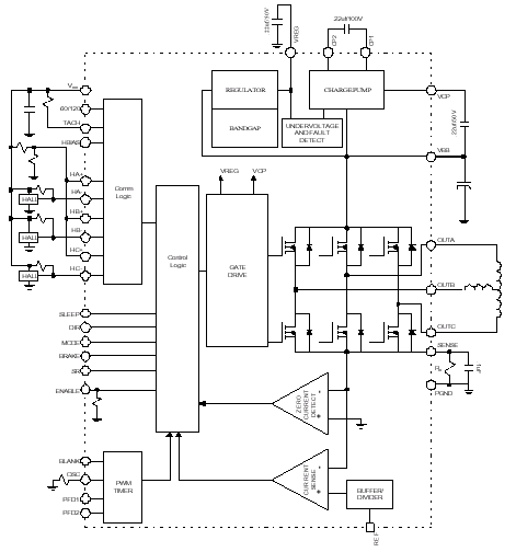
Designed for pulse-width modulated (PWM) current control of three-phase brushless dc motors, the A3936SED is capable of peak output currents to ±3 A and operating voltages to 50 V. Internal fixed off-time PWM current-control timing circuitry can be configured to operate in slow-, fast- and mixed-decay modes.
Internal synchronous rectification control circuitry is provided to improve power dissipation during PWM operation. Internal circuit protection includes thermal shutdown with hysteresis, and crossover current protection. Special power-up sequencing is not required.
The A3936 is supplied in a 44-pin plastic PLCC with internally fused leads (three on each side) for enhanced heat dissipation. These leads are at ground potential and need no electrical isolation. This device is also available in a lead (Pb) free version, with 100% matte tin leadframe plating.
Functional Block Diagram
| Part Number | Package Type | RoHS | Temperature |
| Compliant | |||
| A3936SED | 44-lead PLCC | No | -20 °C to 85 °C |
| A3936SED-T | 44-lead PLCC | Yes | -20 °C to 85 °C |
| A3936SEDTR | 44-lead PLCC | No | -20 °C to 85 °C |
| A3936SEDTR-T | 44-lead PLCC | Yes | -20 °C to 85 °C |
Pre:A3935 技术资料及报价(附PDF文档) 2026-04-13
Next:UDN2936-120 技术资料及报价(附PDF文档) 2026-04-13

Collect
Navigate:






