主营US1881KUA模块-电动自行车专用IC
Features and Benefits
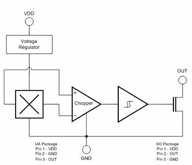
* Chopper stabilized amplifier stage
* Optimized for BDC motor applications
* New miniature package / thin, high reliability package
* Operation down to 3.5V
* CMOS for optimum stability, quality and cost
US1881KUA功能与特征:
*斩波稳定放大器阶段
*优化为波音设计中心电机应用
*新的微型包装/薄,可靠性高,封装
*运作下降至3.5V
*CMOS最佳的稳定性,质量和成本
Applications
* Solid state switch
* Brushless DC motor commutation
* Speed sensing
* Linear position sensing
* Angular position sensing
* Current sensing
US1881KUA广泛应用于:
*固态开关
*无刷直流电动机整流
*速度传感
*线性位置传感
*角位置传感
*电流传感
图片:

库存信息:
MELEXIS 品牌系列产品 US1881KUA
US1881KUA 批号 07+
US1881KUA 数量 150000
US1881KUA 封装 3-pin SIP
US1881KUA 包装 1000/pag
US1881KUA 备注 original/IN STOCK
US1881KUA
US1881KUA.PDF技术资料
US1881KUA 询价
此产品本公司大量原装现货热卖
询价热线:
0755-83283733, 83031813,33062500
QQ:623069669
MSN:sumzi003@sumzi.com sumzi006@sumzi.com
Email:sumzi@sumzi.com
Pre:MURATA(村田)磁珠-BLM18AG102SN1D模块 2026-05-17
Next:A3977SEDTR-T电动自行车专用模块IC(公司库存热销) 2026-05-17

Collect
Navigate:






