霍尔传感器A3967SLBTR-T电动自行车驱动模块IC
Features
- ±750 mA, 30 V Output Rating
- Satlington® Sink Drivers
- Automatic Current Decay Mode Detection/Selection
- 3.0 V to 5.5 V Logic Supply Voltage Range
- Mixed, Fast, and Slow Current-Decay Modes
- Internal UVLO and Thermal Shutdown Circuitry
- Crossover-Current Protection
A3967SLBTR-T特点:
± 750毫安, 30 V输出评级
satlington ®灌电流驱动器
自动电流衰减模式检测/选购
3.0 V至5.5 V逻辑电源电压范围
混合,快速和缓慢的电流衰减模式
内部uvlo和热停机电路
交叉电流保护
Description
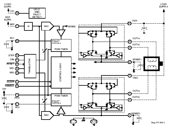
The A3967SLB is a complete microstepping motor driver with built-in translator. It is designed to operate bipolar stepper motors in full-, half-, quarter-, and eighth-step modes, with output drive capability of 30 V and ±750 mA. The A3967SLB includes a fixed off-time current regulator that has the ability to operate in slow, fast, or mixed current-decay modes. This current-decay control scheme results in reduced audible motor noise, increased step accuracy, and reduced power dissipation.
The translator is the key to the easy implementation of the A3967SLB. By simply inputting one pulse on the STEP input the motor will take one step (full, half, quarter, or eighth depending on two logic inputs). There are no phase-sequence tables, high-frequency control lines, or complex interfaces to program. The A3967SLB interface is an ideal fit for applications where a complex µP is unavailable or over-burdened.
Internal circuit protection includes thermal shutdown with hysteresis, under-voltage lockout (UVLO) and crossover-current protection. Special power-up sequencing is not required.
The A3967SLB is supplied in a 24-lead SOIC with copper batwing tabs. The tabs are at ground potential and need no insulation. A leadfree (100% matte tin leadframe) version is also available.
该a3967slb ,是一个完整的微步电动机驱动器内置式翻译。它的设计操作双极步进电机在全,半,季,和第八步模式,输出驱动能力30 V和± 750毫安。该a3967slb包括一个固定关断时间,电流调节认为有能力经营缓慢,速度快,或混合电流衰减模式。这个电流衰减控制方案能减少发声马达噪音,增加步进精度,并降低功耗。
译者是易于实施的关键的a3967slb 。只需输入一个脉冲步进输入电动机将产生一个步骤(全,半,每季,或第八取决于两个逻辑输入) 。有没有相序表,高频率的控制线,或复杂的界面。该a3967slb接口,是一种理想的适合申请,而一个复杂的μ P是不可用或者不胜负荷。
内部电路保护包括滞后热关机,欠压锁定( uvlo )和交叉电流保护。特别功率提升排序。
该a3967slb是供应24引脚SOIC与铜batwing制表符。标签是在地面的潜力和需要,没有隔热效果。 1无铅( 100 %雾锡)版本也已经推出。
外观图:

电路图:

库存信息:
ALLEGRO 品牌系列产品 A3967SLBTR-T
A3967SLBTR-T 批号 06+
A3967SLBTR-T 数量 1000
A3967SLBTR-T 封装 24-lead SOIC
A3967SLBTR-T 包装 1000pcs/reel
A3967SLBTR-T 备注 original/IN STOCK
A3967SLBTR-T
A3967SLBTR-T 询价
此产品本公司大量原装现货热卖
询价热线:
0755-83283733, 83031813,33062500
QQ:623069669
MSN:sumzi003@sumzi.com sumzi006@sumzi.com
Email:sumzi@sumzi.com
http://www.sumzi.com
Pre:A3977SEDTR-T电动自行车专用模块IC(公司库存热销) 2026-05-12
Next:霍尔传感器A3955SB-T步进电动驱动IC(库存热销) 2026-05-12

Collect
Navigate:






