原装正品在那里?请找响拇指电子科技!!响拇指倾情提供MST MH481技术资料!
Update:2009-07-12 Views:6375
在电子领域中,技术资料一直是每个厂家不太愿意公开的一方面.诚然,电子领域的竞争,说到底,就是技术的竞争.响拇指电子本着"融会贯通","互通有无"的精神,与广大商家与同行共享一些技术心得.欢迎指正!!
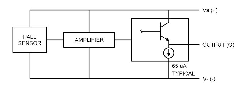
技术参数:
MH481.pdf
| Ordering Number |
MH 481 |
| Signal Output |
Linear |
| Temperature |
-40℃- 100℃ |
| Package | UA |
| Voltage range | -40℃- 100℃ |
| Output current | |
| Sensitivity | 1.8 mA/Gauss |
| Status | Now |

Pre:没有最好,只有更好,客户的满意是对我们的肯定.响拇指倾情提供:MSTMH249-alfa技术资料 2026-02-04
Next:主营优势产品,绝对价格优势!为方便客户及同行,响拇指特提供:MSTMH249-alfa技术资料 2026-02-04

Collect
Navigate:






