Products

Hall-IC

A3964SLB-T A3964SLBTR-T Hot sale!!!!Unused!!!!Rohs

Description:

print

tel:0755-83031813

email:sumzi@sumzi.com

share to:

Production:

Part No.】    A3964SLB-T/A3964SLBTR-T
【Category】   Dual Full-Bridge PWM Motor Driver
【Packing】     DIP24/SOIC20
【MFQ】           ALLEGRO
【Datasheet】 A3964 Datasheet

A3964
Dual Full-Bridge PWM Motor Driver

Pin-Out or Package

Features

  • ±800 mA Continuous Output Current Rating
  • 30 V Output Voltage Rating
  • Internal PWM Current Control, Saturated Sink Drivers
  • Internally Generated, Precision 2.5 V Reference
  • Internal Transient-Suppression Diodes
  • Internal Thermal-Shutdown Circuitry
  • Crossover-Current Protection, UVLO Protection

Pb (lead) free

Description

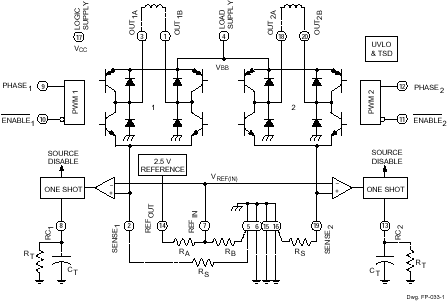
Designed for pulse-width modulated (PWM) current control of bipolar stepper motors, the A3964SB and A3964SLB are capable of continuous output currents to ±800 mA and operating voltages to 30 V. Internal fixed off-time PWM current-control circuitry can be used to regulate the maximum load current to a desired value. An internal precision voltage reference is provided to improve motor peak-current control accuracy. The peak load current limit is set by the user's selection of an external resistor divider and current-sensing resistors. The fixed off-time pulse duration is set by user-selected external RC timing networks. The capacitor in the RC timing network also determines a user-selectable blanking window that prevents false triggering of the PWM current control circuitry during switching transitions. This eliminates the need for two external RC filter networks on the current-sensing comparator inputs.

For each bridge the PHASE input controls load current polarity by selecting the appropriate source and sink driver pair. For each bridge the ENABLE input, when held high, disables the output drivers. Special power-up sequencing is not required. Internal circuit protection includes thermal shutdown with hysteresis, transient-suppression diodes, and crossover-current protection.

Functional Block Diagram

Functional Block Diagram

Contact person:

Frances New

Phone:+86-755-81832961

Fax:+86-755-83299282

Email:sumzi@sumzi.com

MSN:sumzi-frances@msn.com

http://www.sumzi.com

Copyright © 2002-2026Copyright @ 2017 Sumzi Electric Technical Co,.Ltd Of SHENZHEN . All rights reserved.No.11091659 for ICP Registration Purpose in Guangdong