Products

Hall-IC

Special Offer: Sanken & Allegro SLA7024M !! Hot sale!!

Description:

print

tel:0755-83031813

email:sumzi@sumzi.com

share to:

Production:

Part No.】    SLA7024M
【Category】  Unipolar Stepper Motor Controller/Drivers
【Packing】    18-pin SIP/15-pin SIP
【MFQ】          SANKEN & ALLEGRO
【Datasheet】SLA7024M Datasheet

Pin-Out or Package

Features

  • Cost-Effective, Multi-Chip Solution
  • 'Turn-Key' Motion-Control Module
  • Motor Operation to 3 A and 46 V
  • 3rd Generation High-Voltage FETs
  • 100 V, Avalanche-Rated NMOS
  • Low rDS(on) NMOS Outputs
  • Advanced, Improved Body Diodes
  • Single-Supply Motor/Module Operation
  • Half- or Full-Step Unipolar Drive
  • High-Efficiency, High-Speed PWM
  • Dual PWM Current Control (2-Phase)
  • Programmable PWM Current Control
  • Low Component Count PWM Drive
  • Low Internal Power Dissipation
  • Heat Sinking (Normally) Unnecessary
  • Electrically Isolated Power Tab
  • Logic IC- and µP-Compatible Inputs
  • Machine-Insertable Package

Description

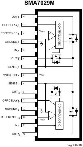
The SLA7024M, SLA7026M, and SMA7029M are designed for high-efficiency and high-performance operation of 2-phase, unipolar stepper motors. An automated, innovative packaging technology combined with power FETs and monolithic logic/control circuitry advances power multi-chip modules (PMCMsTM) toward the complete integration of motion control. Highly automated manufacturing techniques provide low-cost and exceptionally reliable PMCMs suitable for controlling and directly driving a broad range of 2-phase, unipolar stepper motors. The three stepper motor multi-chip modules differ primarily in output current ratings (1.5 A or 3.0 A) and package style.

All three PMCMs are rated for an absolute maximum limit of 46 V and utilize advanced NMOS FETs for the high-current, high-voltage driver outputs. The avalanche-rated (>=100 V) FETs provide excellent ON resistance, improved body diodes, and very-fast switching. The multi-chip ratings and performance afford significant benefits and advantages for stepper drives when compared to the higher dissipation and slower switching speeds associated with bipolar transistors.

Normally, heat sinks are not required for the SLA7024M or SMA7029M. The SLA7026M, in demanding, higher-current systems designs, necessitates suitable heat transfer methods for reliable operation. Complete applications information is given on the following pages. PWM current is regulated by appropriately choosing current-sensing resistors, a voltage reference, a voltage divider, and RC timing networks. The RC components limit the OFF interval and control current decay. Inputs are compatible with 5 V logic and microprocessors.

SLA7024 Block Diagram SMA7029 Block Diagram

Contact person:
Frances New
Phone:+86-755-81832961
Fax:+86-755-83299282
Email:sumzi@sumzi.com
MSN:sumzi-frances@msn.com
http://www.sumzi.com

 

Copyright © 2002-2026Copyright @ 2017 Sumzi Electric Technical Co,.Ltd Of SHENZHEN . All rights reserved.No.11091659 for ICP Registration Purpose in Guangdong