Production:
【Part No.】 A3980
【Category】 Automotive DMOS Microstepping Driver with Translator
【Packing】 28-lead TSSOP
【MFQ】 ALLEGRO
【Datasheet】A3980 Datasheet
A3980
Automotive DMOS Microstepping Driver with Translator
Features
- Typical application up to ±1 A, 35 V output rating
- Low RDS(ON) outputs, 0.67 Ω source, 0.54 Ω sink typical
- Automatic current decay mode detection/selection
- 3.0 V to 5.5 V logic supply voltage range
- Mixed, fast, and slow current decay modes
- Synchronous rectification for low power dissipation
- Internal OVLO, UVLO, and thermal shutdown circuitry
- Crossover current protection
- Short to supply/ground and short/low load current diagnostics
Description
The A3980 is a complete microstepping motor driver with built-in translator for easy operation. It is designed to operate bipolar stepper motors in full-, half-, eighth-, and sixteenthstep modes, at up to 35 V and 1 A. The A3980 includes a fixed off-time current regulator which has the ability to operate in slow, fast, or mixed decay modes. This results in reduced audible motor noise, increased step accuracy, and reduced power dissipation.
The translator is the key to the easy implementation of the A3980. Simply inputting one pulse on the step input drives the motor one microstep. There are no phase sequence tables, high frequency control lines, or complex interfaces to program. The A3980 interface is an ideal fit for applications where a complex P is unavailable or overburdened.
Internal synchronous rectification control circuitry is provided to improve power dissipation during PWM operation.
Internal circuit protection includes: thermal shutdown with hysteresis, overvoltage lockout (OVLO), undervoltage lockout (UVLO), and crossover current protection. Special power-up sequencing is not required. In addition, two diagnostic fault flags provide indication of shorts or opens on the motor windings.
The A3980 is supplied in a low-profile (1.1 mm) 28L TSSOP with exposed thermal pad. This device is available also in a lead-free version (leadframe plating 100% matte tin).
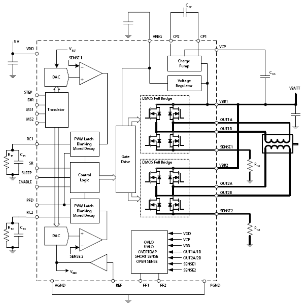
Functional Block Diagram

|
|
Package Type |
RoHS |
Temperature |
Comments |
| Compliant |
| A3980KLP |
28-lead TSSOP |
No |
-40 °C to 125 °C |
new |
| A3980KLP-T |
28-lead TSSOP |
Yes |
-40 °C to 125 °C |
new |
| A3980KLPTR |
28-lead TSSOP |
No |
-40 °C to 125 °C |
new |
| A3980KLPTR-T |
28-lead TSSOP |
Yes |
-40 °C to 125 °C |
new |
Contact person:
Frances New
Phone:+86-755-81832961
Fax:+86-755-83299282
Email:sumzi@sumzi.com
MSN:sumzi-frances@msn.com
http://www.sumzi.com