Products

Hall-IC

A3936 Three-Phase Motor Controller! New part! Hot offer! Datasheet offer!

Description:

print

tel:0755-83031813

email:sumzi@sumzi.com

share to:

Production:

Datasheet:A3936.pdf

A3936
Three-Phase Motor Controller / Driver with Integrated 3 A DMOS Drivers


Features

  • ±3 A, 50 V Continuous Output Rating
  • Low rDS(on) Outputs (typically 500 milliohm source, 315 milliohm sink)
  • Configurable Mixed, Fast and Slow Current-Decay Modes
  • Synchronous Rectification for Low Power Dissipation
  • Internal UVLO and Thermal-Shutdown Circuitry
  • Crossover-Current Protection
  • Tachometer Output for External Speed-Control Loop
Pb (lead) free

Description

Designed for pulse-width modulated (PWM) current control of three-phase brushless dc motors, the A3936SED is capable of peak output currents to ±3 A and operating voltages to 50 V. Internal fixed off-time PWM current-control timing circuitry can be configured to operate in slow-, fast- and mixed-decay modes.
Internal synchronous rectification control circuitry is provided to improve power dissipation during PWM operation. Internal circuit protection includes thermal shutdown with hysteresis, and crossover current protection. Special power-up sequencing is not required.
The A3936 is supplied in a 44-pin plastic PLCC with internally fused leads (three on each side) for enhanced heat dissipation. These leads are at ground potential and need no electrical isolation. This device is also available in a lead (Pb) free version, with 100% matte tin leadframe plating.

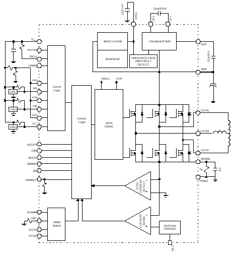
Functional Block Diagram

Functional Block Diagram 
Part Number Package Type RoHS Temperature
Compliant
A3936SED 44-lead PLCC  No -20 °C to  85 °C
A3936SED-T  44-lead PLCC  Yes -20 °C to  85 °C
A3936SEDTR  44-lead PLCC  No -20 °C to  85 °C
A3936SEDTR-T  44-lead PLCC  Yes -20 °C to  85 °C

Contact person:

Frances New

Phone:+86-755-81832961

Fax:+86-755-83299282

Email:sumzi@sumzi.com

MSN:sumzi-frances@msn.com

http://www.sumzi.com

Copyright © 2002-2026Copyright @ 2017 Sumzi Electric Technical Co,.Ltd Of SHENZHEN . All rights reserved.No.11091659 for ICP Registration Purpose in Guangdong