Production:
【Part No.】 A3260ELHLT
【Category】 Switch
【Package】 SOT23W
【MFQ】 ALLEGRO
【Datasheet】A3260ELHLT Datasheet
A3260
Two-Wire, Chopper-Stabilized, Precision Hall-Effect Bipolar Switch
These parts have been phased out of production as of April 28, 2007.
Features
- Internal Current Regulator for 2-Wire Operation
- Output Slew Rate Controlled
- Resistant to Physical Stress
- Superior Temperature Stability
- Operation From Unregulated Supply
- Reverse Battery Protection
- Solid-State Reliability
- Small Size
Description
The A3260-- Hall-effect bipolar switch is an extremely temperature-stable and stress-resistant sensor especially suited for operation over extended temperature ranges to +150°C. Superior high-temperature performance is made possible through dynamic offset cancellation, which reduces the residual offset voltage normally caused by device overmolding, temperature dependencies, and thermal stress.
The device includes on a single silicon chip a voltage regulator, Hall-voltage generator, small-signal amplifier, chopper stabilization, Schmitt trigger, and a constant-current open-collector output. A south pole of sufficient strength will turn the output OFF. An on-board regulator permits operation with supply voltages of 3.5 to 24 volts. Noise radiation is limited by control of the output current slew rate.
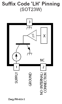
The first character of the part number suffix determines the device operating temperature range; suffix ‘E–’ is -40°C to +85°C and ‘L–’ is -40°C to +150°C. Two package styles provide a magnetically optimized package for most applications. Suffix ‘–LH’ is a miniature SOT23W low-profile surface-mount package, while suffix ‘–UA’ is a three-lead ultra-mini-SIP for through-hole mounting.
Functional Block Diagram

Contact person:
Frances New
Phone:+86-755-81832961
Fax:+86-755-83299282
Email:sumzi@sumzi.com
MSN:sumzi-frances@msn.com
http://www.sumzi.com