Production:
【Part No.】 S-8254AAGFT-TB-G
【Category】 BATTERY PROTECTION IC
【Packing】 16-pin TSSOP
【MFQ】 SEIKO
【Datasheet】 S-8254AAGFT-TB-G Datasheet
Battery Protection IC for 3-Serial or 4-Serial-Cell Pack S-8254A series
The S-8254A series is a protection IC for 3-serial or 4-serial cell
lithium ion rechargeable batteries and includes a high-accuracy
voltage detector and delay circuit.
The S-8254 series protects both 3-serial or 4-serial cells using the SEL pin for switching.
Features
- High-accuracy voltage detection for each cell
Overcharge detection voltage n(n=1 to 4): 3.9 V to 4.4 V (50 mV steps) Accuracy ±25 mV
Overcharge release voltage n(n=1 to 4): 3.8 V to 4.4 V Accuracy ±50 mV
Overdischarge detection voltage n(n =1 to 4): 2.0 V to 3.0 V (100 mV steps) Accuracy ±80mV
Overdischarge release voltage n(n=1 to 4): 2.0 V to 3.4 V Accuracy ±100 mV
- Three-level overcurrent protection
Overcurrent detection voltage 1: 0.05 V to 0.3 V (50 mV steps) Accuracy ±25 mV
Overcurrent detection voltage 2: 0.5 V Accuracy ±100 mV
Overcurrent detection voltage 3: VC1-1.2 V Accuracy ±300 mV
- Delay times for overcharge detection, overdischarge detection and overcurrent detection 1 can be set by
external capacitors. (Delay times for overcurrent detection 2 and 3 are fixed internally.)
- Switchable between a 3-serial cell and 4-serial cell using the SEL pin
- Charge/discharge operation can be controlled via the control pins.
- Withstanding voltage element
- Absolute maximum rating: 26 V
- Wide operating voltage range: 2 V to 24 V
- Wide operating temperature range: -40°C to +85°C
- Low current consumption: Operation mode 30 µA max.(+25°C), Power-down mode 0.1 µA max. (+25°C)
- Package: 16-Pin TSSOP
- Lead-free products
Applications
Lithium-ion rechargeable battery packs
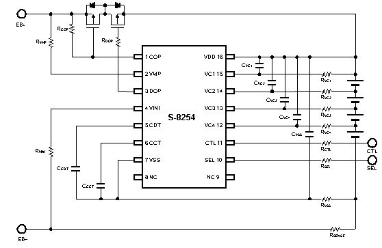
Standard Circuit

Contact person:
Frances New
Phone:+86-755-81832961
Fax:+86-755-83299282
Email:sumzi@sumzi.com
MSN:sumzi-frances@msn.com
http://www.sumzi.com