Products

Hall-IC

A3964SLB-T原装现货.欢迎下载资料

Description:

print

tel:0755-83031813

email:sumzi@sumzi.com

share to:

Production:

A3964SLB-T 详细介绍

A3964SLB-T 型号
ALLEGRO 品牌系列产品 A3964SLB-T
A3964SLB-T 批号 07+
A3964SLB-T 数量 10000
A3964SLB-T 封装
A3964SLB-T 包装
A3964SLB-T 备注 香港深圳大量现货
A3964SLB-T PDF技术资料欢迎下载资料
A3964SLB-T 询价

A3964
双路全桥式 PWM 电动机驱动器

管脚分布

特点

  • ±800 毫安连续输出电流率
  • 30 伏特输出电压率
  • 内部 PWM 电流控制,饱和灌电流驱动器
  • 内生精确 2.5 伏特参考
  • 内部瞬态抑制二极管
  • 内部过热关机电路
  • 交叉电流,欠压锁定 (UVLO) 保护

无铅

描述

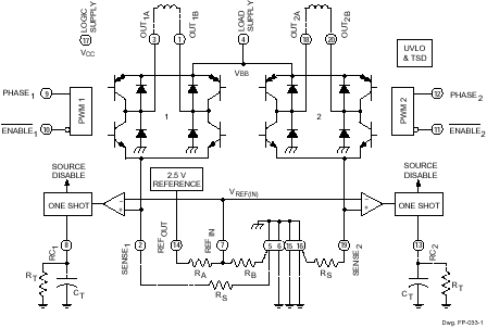
为双极步进脉宽调制 (PWM) 电流控制而设计的 A3964SB 与 A3964SLB 能够连续输出电流至±800 毫安,工作电压为 30 伏。内部固定停机时间脉宽调制 (PWM) 电流控制电路可用来控制最大负载电流,使之达到期望值。 内部精确电压参考用于改善电动机峰值电流控制的准确度。 用户'可通过选择外部电阻分隔器和电流感测电阻设置峰值载荷电流限制。 用户可通过选择外部 RC 计时网络设置固定停机时间脉冲持续时间。 RC 计时网络中的电容器也可以确定用户可选择空白窗口,该窗口在开关转换过程中可防止对 PWM 电流控制电路的误触发。 这样,电流感测比较器输入就不需要两个外部 RC 滤波器网络。

每个电桥的"相位"输入可通过选择适当的源极与灌电流驱动器件控制负载电流的极性。 每个电桥的"启用"输入持高时,禁用输出驱动器。 不需要特别的加电排序。 内部电路保护包括因滞后引起的过热关机、瞬态抑制二极管及交叉电流保护。

功能方框图

功能方框图


 

询价热线:

0755-83283733, 83031813,33062500

QQ:623069669

MSN:sumzi003@sumzi.com  sumzi006@sumzi.com

Email:sumzi@sumzi.com 

http://www.sumzi.com

Copyright © 2002-2026Copyright @ 2017 Sumzi Electric Technical Co,.Ltd Of SHENZHEN . All rights reserved.No.11091659 for ICP Registration Purpose in Guangdong