Products

Hall-IC

新到A3986SLD-T 电机驱动 原装现货新年份无铅产品热卖

Description:

print

tel:0755-83031813

email:sumzi@sumzi.com

share to:

Production:

主营:ALLEGRO全系列 电机驱动 电流传感器 霍尔元件 齿轮传感器

询价热线:

0755-83283733, 83031813,33062500

QQ:623069669

MSN:sumzi003@sumzi.com  sumzi006@sumzi.com

Email:sumzi@sumzi.com 

http://www.sumzi.com

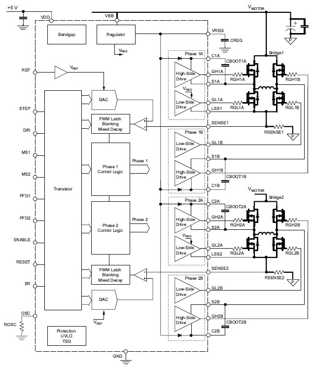
特点:带微步转换器的双路全桥式 MOSFET 驱动器

特点

  • 2 线式步进及方向界面
  • N 通道 MOSFET 双路全桥门极驱动器
  • 12 至 50 伏特的电源电压范围内操作
  • 同步整流
  • 交叉传导保护
  • 可调混合衰减
  • 集成正弦 DAC 电流参考
  • 固定停机时间 PWM 电流控制

无铅

描述

A3986 是双路全桥式门极驱动器,带有集成微步转换器,该转换器适用于较大范围的驱动较高功率的工业用双极二相步进电动机(一般为 30 至 500 瓦特)。 由外部 N 通道功率 MOSFET 提供电动机功率,电源电压为 12 至 50 伏特。

该器件包括两个正弦 DAC,可为两个独立的固定停机时间脉宽调制 (PWM) 电流控制器产生参考电压。 并可为外部功率 MOSFET 全桥式提供电流调节。

电动机步进由双线式步进及方向界面控制,在完整、1/2、1/4 及 1/16 步进分解中,提供完整的微步控制。 固定停机时间稳压器能够在慢、混合或快速衰减模式下进行操作,其操作可减少可听得见的电动机噪音、增加步进精确度并减少功率消耗。

转换器是该集成电路 (IC) 易于实施的关键。 通过简单的在"步进"输入中输入一个脉冲,可驱动电动机产生一个步进(完整、1/2、1/4 或 1/16 步进,根据微步选择输入的情况而定。)。 该程序中没有相位顺序表、高频率控制行或复杂的界面。 这样就减少了对复杂微控制器的需要。

通过自举电容器可提供上述高端 N 型通道 MOSFET 所需要的电源电压。 通过应用同步整流可提高效率,集成交叉控制与可编程无感时间可使功率 FET 免于击穿。

另外,交叉电流控制、内部电路保护可预防因滞后而引起的过热关机及欠压保护。 不需要特别的加电排序。

该产品采用 38 引脚 TSSOP(封装 LD)封装。 可选无铅封装(后缀-T)采用 100% 雾锡电镀引脚框。

功能方框图

功能方框图

完整型号

型号 封装类型 RoHS
符合性
部件构成/
RoHS 数据
温度    
A3986SLD-T 38-铅 TSSOP 查看数据 -20 °C 至 85 °C  
 
A3986SLDTR-T 38-铅 TSSOP 查看数据 -20 °C 至 85 °C    

Copyright © 2002-2026Copyright @ 2017 Sumzi Electric Technical Co,.Ltd Of SHENZHEN . All rights reserved.No.11091659 for ICP Registration Purpose in Guangdong