Products

Hall-IC

SS496A and SS496B and SS496A1技术资料及报价

Description:

print

tel:0755-83031813

email:sumzi@sumzi.com

share to:

Production:

DATASHEET PDF

SS496.pdf
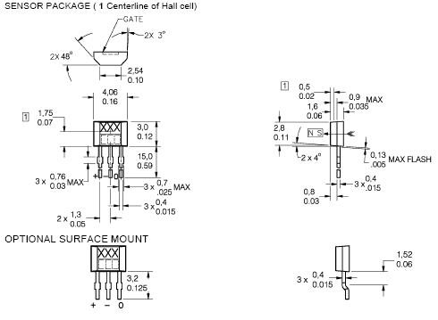
    FEATURES。 Small size (。160 x .118 in )。 Power consumption of 7 mA at 5
VDC for energy efficiency 。 Single current sinking or current sourcing output。
Linear output for circuit design flexibility。 Built-in thin film resistors are
laser trimmed for precise

    SS490 Series

    sensitivity and temperature compensation。 Rail-to-rail operation provides more
useable signal for higher accuracy。 Temperature range of -40 C to +150 C 。 Responds
to either positive or negative gauss。 Quad Hall sensing element for stable output

    TYPICAL APPLICATIONS。 Current sensing。 Motor control。 Position sensing 。
Magnetic code reading 。 Rotary encoder 。 Ferrous metal detector 。 Vibration sensing。
Liquid level sensing。 Weight sensing

    The SS490 Series MRL(Miniature Ratiometric Linear) sensors are small,versatile
linear Hall effect devices which are operated by the magnetic field from a permanent
magnet or an electromagnet. The ratiometric output voltage is set by the supply
voltage and varies in proportion to the strength of the magnetic field. The integrated
circuitry provides increased temperature stability and sensitivity. Laser trimmed
thin film resistors provide high accuracy (null to ±3%, sensitivity up to 3% )
and temperature compensation. These linear position sensors have an operating temperature
range of -40 C to +150 C,appropriate for industrial and automotive environments.
They respond to either positive or negative gauss , monitoring either or both magnetic
poles. The quad Hall sensing element minimizes the effects of mechanical or thermal
stress on the output. The positive temperature coefficient of the sensitivity
(+0.02%/ C typical ) helps compensate for the negative temperature coefficients
of low cost magnets , providing a robust design over a wide temperature range.
Rail-to-rail operation(over full voltage range ) provides a more usable signal
for higher accuracy. The recent extension to the product line , the SS490B Series,
offers cost- effective MRL sensing solutions with slightly wider specifications
than the SS490 high-performance products. Like the SS490 Series , the SS490B has
a typical sinking or sourcing output of 1.5 mA continuous , uses 7 mA of supply
current at 5.0 volts and 25 C , and provides predictable performance over the full
temperature range. The SS490B Series sensors have wider null and sensitivity tolerances
and a wider drift over temperature. The SS490B Series sensors are a new lower cost
product line extension. They complement the SS490 Series of small size, high accuracy
and high performance miniature linear products.




Contact person:

Frances New

Phone:+86-755-81832961

Fax:+86-755-83299282

Email:sumzi@sumzi.com

MSN:sumzi-frances@msn.com

http://www.sumzi.com

Copyright © 2002-2026Copyright @ 2017 Sumzi Electric Technical Co,.Ltd Of SHENZHEN . All rights reserved.No.11091659 for ICP Registration Purpose in Guangdong