Production:
TLE4966H 详细介绍
TLE4966H 型号
INFINEON 品牌系列产品 TLE4966H
TLE4966H 批号 07+ROHS
TLE4966H 数量 12000
TLE4966H 封装 6-lead SOIC
TLE4966H 包装 3000PCS/reel
TLE4966H 备注 in stock
TLE4966H PDF技术资料
Features
· 2.7V to 24V supply voltage operation
· Operation from unregulated power supply
· High sensitivity and high stability of the
magnetic switching points
· High resistance to mechanical stress by active
error compensation
· Reverse battery protection (-18V)
· Superior temperature stability
· Peak temperatures up to 195°C without
damage
· Low jitter (typ. 1µs)
· Digital output signal
· Bipolar version
· Excellent matching between the 2 Hal probes
· Hal plate distance 1.45mm
· Direction & speed information
· Direction signal switches 1 µs before the speed signal
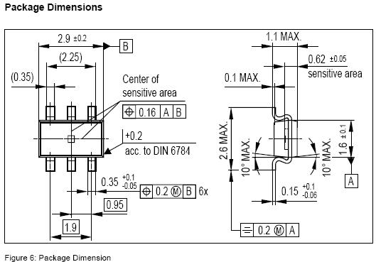
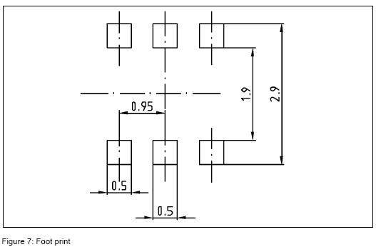
· SMD package P-TSOP-6-6-3
Functional Description
The TLE4966H is an integrated circuit double Hall-effect sensor designed specifically for
highly accurate applications. Precise magnetic switching points and high temperature
stability are achieved by active compensation circuits and chopper techniques on chip.
The TLE4966H provides a speed signal at Q2 for every magnetic pole pair and a direction
information at Q1. The direction output switches 1µs (min.) before the speed output.
Circuit Description
The chopped Double Hall Switch comprises two Hall probes, bias generator,
compensation circuits, oscillator, and output transistors.
The bias generator provides currents for the Hall probes and the active circuits.
Compensation circuits stabilize the temperature behavior and reduce technology
variations.
The Active Error Compensation rejects offsets in signal stages and the influence of
mechanical stress to the Hall probes caused by molding and soldering processes and
other thermal stresses in the package. This chopper technique together with the threshold
generator and the comparator ensures high accurate magnetic switching points.













询价热线:
0755-83283733, 83031813,33062500
QQ:623069669
MSN:sumzi003@sumzi.com sumzi006@sumzi.com
Email:sumzi@sumzi.com
http://www.sumzi.com