Production:
DATASHEET PDF

ATS640.pdf
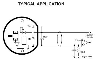
The ATS640JSB Hall-effect gear-tooth sensor is a peak detecting device
that uses internal gain control to provide extremely stable duty cycles down to
zero speed. Each sensor module consists of a high-temperature plastic shell
that holds together a samarium-cobalt magnet, a pole piece, and a true zero-
speed BiCMOS differential Hall-effect gear-tooth sensor IC that has been
optimized to the magnetic circuit. This small package can be easily assembled
and used in conjunction with a wide variety of gear shapes and sizes.
The gear-sensing technology used for this sensor module is Hall-effect
based. The sensor incorporates a dual-element Hall IC that switches in
response to differential magnetic signals created by a ferrous target. The
sophisticated self-calibrating digital-processing circuitry normalizes the
internal gain of the device to minimize the effect of air gap variations. and to
without the associated running jitter inherent in classical digital solutions.
This sensor system is ideal for use in gathering speed, position, and timing
information using gear-tooth-based configurations. The ATS640JSB is
particularly suited to those applications that require extremely accurate duty
cycle control or accurate edge detection. The lower vibration sensitivity also
makes this device extremely useful for transmission speed sensing.
FEATURES AND BENEFITS
■ Internal Current Regulator for 2-Wire Operation
■ True Zero-Speed Operation
■ Self Calibrating
■ Extremely Stable Duty Cycle with Temperature
■ Fully Optimized Differential Digital Gear-Tooth Sensor
■ Large Operating Air Gaps
■ Air-Gap Independent Switch Points
■ High Vibration Immunity
■ Single-Chip Sensing IC for High Reliability
■ Digital Output Representing Target Profile
■ Small Mechanical Size
■ Optimized Magnetic Circuit
■ <200 s Typical Power-On Time
■ AGC and Reference-Adjust Circuit
■ Under-Voltage Lockout
■ Wide Operating Voltage Range
■ Defined Power-On State





询价热线:
0755-83283733, 83031813,33062500
QQ:623069669
MSN:sumzi003@sumzi.com sumzi006@sumzi.com
Email:sumzi@sumzi.com
http://www.sumzi.com