Production:
A3973SLBTR_T.pdf
A3973
Dual DMOS Full-Bridge Microstepping PWM Motor Driver
Features
- ±1 A, 35 V Continuous Output Rating
- Low rDS(on) DMOS Output Drivers
- Optimized Microstepping via 6-Bit Linear DACs
- Programmable Mixed, Fast, and Slow Current-Decay Modes
- 4 MHz Internal Oscillator for Digital Timing
- Serial-Interface Controls Chip Functions
- Synchronous Rectification for Low Power Dissipation
- Internal UVLO and Thermal Shutdown Circuitry
- Crossover-Current Protection
- Precision 2 V Reference
- Inputs Compatible with 3.3 V or 5 V Control Signals
- Sleep and Idle Modes
Description
Designed for pulse-width modulated (PWM) current control of bipolar microstepping stepper motors, the A3973SB and A3973SLB are capable of continuous output currents to ±1 A and operating voltages to 35 V. Internal fixed off-time PWM current-control timing circuitry can be programmed via a serial interface to operate in slow, fast, and mixed current-decay modes. The A3973SB (DIP) and the A3973SLB (SOIC) are electrically identical and differ only in package style.
The desired load-current level is set via the serial port with two 6-bit linear DACs in conjunction with a reference voltage. The six bits of control allow maximum flexibility in torque control for a variety of step methods, from microstepping to full-step drive. Load current is set in 1.56% increments of the maximum value.
Synchronous rectification circuitry allows the load current to flow through the low rDS(on) of the DMOS output driver during the current decay. This feature will eliminate the need for external clamp diodes in most applications, saving cost and external component count, while minimizing power dissipation.
Internal circuit protection includes thermal shutdown with hysteresis, transient-suppression diodes, and crossover-current protection. Special power-up sequencing is not required.
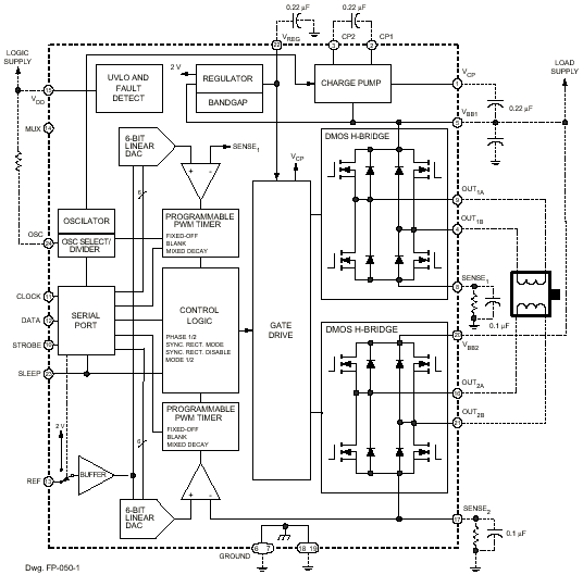
Functional Block Diagram

|
|
Package Type |
RoHS Compliant |
Temperature |
Comments |
| A3973SB |
24-pin DIP |
No |
-20 °C to 85 °C |
discontinued |
| A3973SB-T |
24-pin DIP |
Yes |
-20 °C to 85 °C |
|
| A3973SLB |
24-lead SOIC |
No |
-20 °C to 85 °C |
discontinued |
| A3973SLB-T |
24-lead SOIC |
Yes |
-20 °C to 85 °C |
|
| A3973SLBTR |
24-lead SOIC |
No |
-20 °C to 85 °C |
discontinued |
| A3973SLBTR-T |
24-lead SOIC |
Yes |
-20 °C to 85 °C |
|
Contact person:
Frances New
Phone:+86-755-81832961
Fax:+86-755-83299282
Email:sumzi@sumzi.com
MSN:sumzi_frances@msn.com
http://www.sumzi.com