Production:
【Part No.】 A3977SEDTR-T
【Category】 Microstepping DMOS Driver
【Packing】 44-pin PLCC
【MFQ】 ALLEGRO
【Datasheet】 A3977SEDTR-T Datasheet
Features
- ±2.5 A, 35 V Output Rating
- Low rDS(ON) Outputs, 0.45 Ohms Source, 0.36 Ohms Sink Typical
- Automatic Current Decay Mode Detection/Selection
- 3.0 to 5.5 V Logic Supply Voltage Range
- Mixed, Fast, and Slow Current Decay Modes
- Home Output
- Synchronous Rectification for Low Power Dissipation
- Internal UVLO and Thermal-Shutdown Circuitry
- Crossover Current Protection
Description
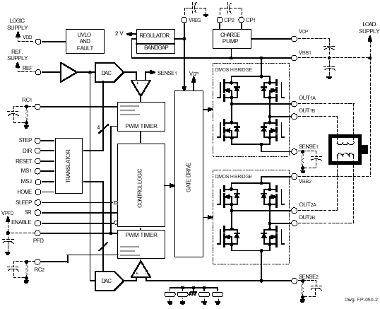
The A3977SED and A3977SLP are complete microstepping motor drivers with built-in translator. They are designed to operate bipolar stepper motors in full-, half-, quarter-, and eighth-step modes, with output drive capability of 35 V and ±2.5 A. The A3977 includes a fixed off-time current regulator that has the ability to operate in slow-, fast-, or mixed-decay modes. This current-decay control scheme results in reduced audible motor noise, increased step accuracy, and reduced power dissipation.
The translator is the key to the easy implementation of the A3977. By simply inputting one pulse on the STEP input, the motor will take one step (full, half, quarter, or eight, depending on two logical inputs). There are no phase-sequence tables, high-frequency control lines, or complex interfaces to program. The A3977 interface is an ideal fit for applications where a complex µP is unavailable or overburdened.
Internal synchronous-rectification control circuitry is provided to improve power dissipation during PWM operation.
Internal circuit protection includes thermal shutdown with hysteresis, under-voltage lockout (UVLO), and crossover-current protection. Special power-up sequencing is not required.
The A3977 is supplied in a choice of two power packages, a 44-pin plastic PLCC with copper batwing tabs (suffix ED), and a thin (<1.2 mm), 28-pin TSSOP with an exposed thermal pad (suffix LP). The SLP package is available in a lead-free version (100% matte tin leadframe).
Functional Block Diagram

|
|
Package Type |
RoHS Compliant |
Temperature |
Comments |
| A3977SED |
44-lead PLCC |
No |
-20 °C to 85 °C |
discontinued |
| A3977SED-T |
44-lead PLCC |
Yes |
-20 °C to 85 °C |
|
| A3977SEDTR |
44-lead PLCC |
No |
-20 °C to 85 °C |
discontinued |
| A3977SEDTR-T |
44-lead PLCC |
Yes |
-20 °C to 85 °C |
|
| A3977SLP |
28-lead TSSOP |
No |
-20 °C to 85 °C |
discontinued |
| A3977SLP-T |
28-lead TSSOP |
Yes |
-20 °C to 85 °C |
|
| A3977SLPTR |
28-lead TSSOP |
No |
-20 °C to 85 °C |
discontinued |
| A3977SLPTR-T |
28-lead TSSOP |
Yes |
-20 °C to 85 °C |
|
| A3977KED-T |
44-lead PLCC |
Yes |
-40 °C to 125 °C |
|
| A3977KEDTR-T |
44-lead PLCC |
Yes |
-40 °C to 125 °C |
|
| A3977KLP-T |
28-lead TSSOP |
Yes |
-40 °C to 125 °C |
|
| A3977KLPTR-T |
28-lead TSSOP |
Yes |
-40 °C to 125 °C
|
|
Contact person:
Frances New
Phone:+86-755-81832961
Fax:+86-755-83299282
Email:sumzi@sumzi.com
MSN:sumzi_frances@msn.com
http://www.sumzi.com