Production:
UDN2916.pdf
Features
- 750 mA Continuous Output Current
- 45 V Output Sustaining Voltage
- Internal Clamp Diodes
- Internal PWM Current Control
- Low Output Saturation Voltage
- Internal Thermal Shutdown Circuitry
- Similar to Dual PBL3717, UC3770
Description
The UDx2916 motor drivers drive both windings of a bipolar stepper motor or bidirectionally control two DC motors. Both bridges are capable of sustaining 45 V and include internal pulse-width modulation (PWM) control of the output current to 750 mA. The outputs have been optimized for a low output saturation voltage drop (less than 1.8 V total source plus sink at 500 mA).
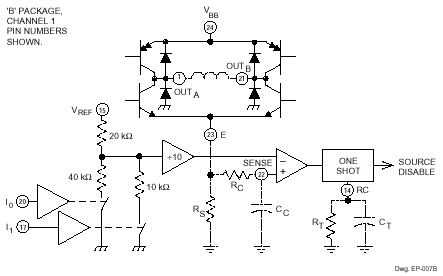
For PWM current control, the maximum output current is determined by user selection of a reference voltage and sensing resistor. Two logic-level inputs select output current limits of 0%, 33%, 67%, or 100% of the maximum level. A PHASE input to each bridge determines load current direction.
The bridges include both ground-clamp and flyback diodes for protection against inductive transients. Internally generated delays prevent crossover currents when switching current direction. Special power-up sequencing is not required. Thermal protection circuitry disables the outputs if the chip temperature exceeds safe operating limits.
The device is supplied in a 24-pin dual in-line plastic (DIP, package B) with two pairs of batwing leads as heat-sinkable tabs for enhanced power dissipation capabilities. The LB package is a 24-lead surface-mount wide SOIC with two pairs of batwing leads. The EB package is a 44-lead power PLCC with 11 internally-fused leads on two sides. Their webbed-lead construction provides for maximum package power dissipation in the smallest possible construction.
The devices are available for operation from –20°C to 85°C (range N), and from –40°C to 105°C (range Q). All packages are lead (Pb) free, with 100% matte tin leadframe plating.
PWM Current Control Circuitry


Contact person:
Frances New
Phone:+86-755-81832961
Fax:+86-755-83299282
Email:sumzi@sumzi.com
MSN:sumzi_frances@msn.com
http://www.sumzi.com