Production:
A3955SB-T 详细介绍
A3955SB-T 型号
ALLEGRO品牌系列产品 A3955SB-T
A3955SB-T 批号 07+ROHS
A3955SB-T 数量 大量现货库存
A3955SB-T 封装 16-pin DIP
A3955SB-T 包装 25PCS/管
A3955SB-T 备注 全新原装现货,07年无铅,绝对价格优势,先到先得!!!
A3955SB-T PDF技术资料

A3955.pdf
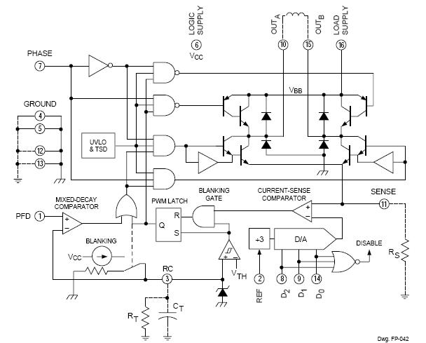
A3955SB-T主要特性及应用:最大1.5A的最大驱动电流,最高50V的供电电压,带有过热自动关断保护电路,欠电压锁定(UVLO)保护,输出抗浪涌的瞬间保护功能,自带PWM 电流控制,3位的线性DAC,带细分控制,不同组合不同的细分数,最多8细分。
FEATURES
n ±1.5 A Continuous Output Current
n 50 V Output Voltage Rating
n Internal PWM Current Control
n 3-Bit Non-Linear DAC
n Fast, Mixed Fast/Slow, and Slow Current-Decay Modes
n Internal Transient-Suppression Diodes
n Internal Thermal-Shutdown Circuitry
n Crossover-Current and UVLO Protection
The A3955S— is supplied in a choice of two power packages; a
16-pin dual-in-line plastic package with copper heat-sink tabs (suffix
‘B’), and a 16-lead plastic SOIC with copper heat-sink tabs (suffix ‘LB’).
For both package styles, the power tab is at ground potential and
needs no electrical isolation.

询价热线:
0755-83283733, 83031813,33062500
QQ:623069669
MSN:sumzi003@sumzi.com sumzi006@sumzi.com
Email:sumzi@sumzi.com
http://www.sumzi.com