Products

Hall-IC

ST DUAL FULL-BRIDGE DRIVER L298N! ZIP-15 packing!PDF download!

Description:

print

tel:0755-83031813

email:sumzi@sumzi.com

share to:

Production:

L298N.pdf

DESCRIPTION

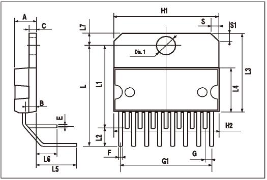
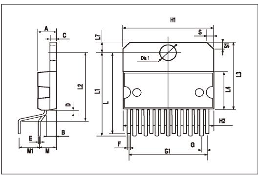
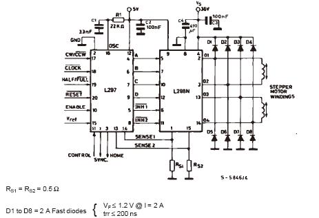
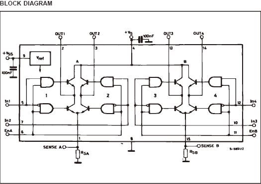
The L298 is an integratedmonolithic circuit in a 15-
lead Multiwatt and PowerSO20 packages. It is a
high voltage, high current dual full-bridge driver designedto
acceptstandardTTLlogic levels anddrive
inductive loads such as relays, solenoids, DC and
steppingmotors. Two enableinputs are providedto
enableor disablethe deviceindependentlyof theinput
signals. The emitters of the lower transistors of
each bridge are connected togetherand the correspondingexternal
terminal can be used for the connectionofanexternalsensingresistor.
Anadditional
supply input is provided so that the logic works at a
lower voltage

Features

.OPERATINGSUPPLYVOLTAGEUP TO 46 V
.TOTAL DC CURRENT UP TO 4 A
.LOWSATURATION VOLTAGE
.OVERTEMPERATURE PROTECTION LOGICAL ”0” INPUT VOLTAGE UP TO 1.5 V
(HIGHNOISE IMMUNITY)



Contact person:

Frances New

Phone:+86-755-81832961

Fax:+86-755-83299282

Email:sumzi@sumzi.com

MSN:sumzi_frances@msn.com

http://www.sumzi.com

Copyright © 2002-2026Copyright @ 2017 Sumzi Electric Technical Co,.Ltd Of SHENZHEN . All rights reserved.No.11091659 for ICP Registration Purpose in Guangdong