Products

Hall-IC

A3966 技术参数(附有PDF)

Description:

print

tel:0755-83031813

email:sumzi@sumzi.com

share to:

Production:

点击红色字体查看技术参数:A3966.技术参数

【产品名称】A3966SLBTR-T
【产品类别】双路全桥式 PWM 电动机驱动器
【产品规格】16-pin SOIC
【生产厂家】ALLEGRO
【产品说明】全新原装现货,06年无铅,详情请直接电话与我联系!

A3966
双路全桥式 PWM 电动机驱动器

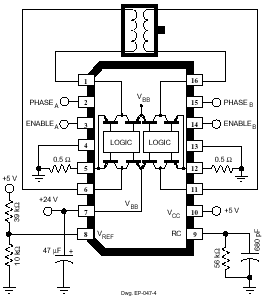
管脚分布

特点

  • ±650 毫安连续输出电流
  • 30 伏特输出电压率
  • 内部固定频率 PWM 电流控制
  • Satlington® 灌电流驱动器
  • 用户可选择空白窗口
  • 内部接地钳位和反激二极管
  • 内部过热关机电路
  • 交叉电流和欠压锁定 (UVLO) 保护

无铅

描述

A3966SA 与 A3966SLB 可驱动双相双极步进电动机的两个绕阻。 每个器件包括两个能够连续输出电流为 ± 650 毫安以及操作电压至 30 伏特的 H 电桥。可通过内部固定频率、脉宽调制 (PWM) 及电流控制电路来控制电动机绕阻电流。 用户'可通过选择参考电压和电流感测电阻设置峰值载荷电流限制。 除了封装样式及输出脚以外,这两个器件是一样的。

用户可通过选择外部 RC 计时网络设置固定频率脉冲持续时间。 RC 计时网络中的电容器也可以确定用户可选择空白窗口,该窗口在开关转换过程中可防止对 PWM 电流控制电路的误触发。

为减少芯片功率耗散,已优化 H 电桥功率输出,以适应低饱和电压。 汲入型驱动器具有 Allegro' 已取得专利的 Satlington® 输出结构。 Satlington 输出将饱和晶体管的低电压降落与达林顿高峰值电流容量相结合。

每个电桥的"相位"输入可通过选择适当的源极与汲入型驱动器件控制负载电流的极性。 每个电桥的"启用"输入持高时,禁用输出驱动器。 不需要特别的加电排序。 内部电路保护包括因滞后引起的过热关机、接地钳位反激二极管及交叉电流保护。

A3966SA 采用 16 引脚双列直插式塑料封装。 A3966SLB 采用带铜散热片的 16 引脚塑料 SOIC 封装。 功率标签处于地电位之下,不需要电绝缘。 A3966SLB 是无铅版本,且引脚框采用 100% 雾锡电镀。

典型应用

典型应用

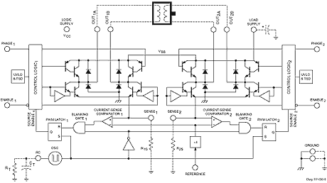
功能方框图

功能方框图

 

询价热线:

0755-83283733, 83031813,33062500

QQ:623069669

MSN:sumzi003@sumzi.com  sumzi006@sumzi.com

Email:sumzi@sumzi.com 

http://www.sumzi.com

Copyright © 2002-2026Copyright @ 2017 Sumzi Electric Technical Co,.Ltd Of SHENZHEN . All rights reserved.No.11091659 for ICP Registration Purpose in Guangdong