Products

Hall-IC

A3966原装正品 现货

Description:

print

tel:0755-83031813

email:sumzi@sumzi.com

share to:

Production:

A3966
Dual Full-Bridge PWM Motor Driver
Sumzi Electronics Co., Ltd

3966.pdf欢迎下载技术参数Pin-Out or Package

Features

  • ±650 mA continuous output current
  • 30 V output voltage rating
  • Internal fixed-frequency PWM current control
  • Satlington® sink drivers
  • User-selectable blanking window
  • Internal ground-clamp and flyback diodes
  • Internal thermal-shutdown circuitry
  • Crossover-current protection and UVLO protection

Pb (lead) free

Description

The A3966 is designed to drive both windings of a two-phase bipolar stepper motor. The device includes two full-bridges capable of continuous output currents of ±650 mA and operating voltages to 30 V. Motor winding current can be controlled by the internal fixed-frequency, pulse-width modulated (PWM), current-control circuitry. The peak load current limit is set by user selection of a reference voltage and current-sensing resistors.

The fixed-frequency pulse duration is set by a user-selected external RC timing network. The capacitor in the RC timing network also determines a user-selectable blanking window that prevents false triggering of the PWM current-control circuitry during switching transitions.

To reduce on-chip power dissipation, the full-bridge power outputs have been optimized for low saturation voltages. The sink drivers feature the Allegro® patented Satlington® output structure. The Satlington outputs combine the low voltage drop of a saturated transistor and the high peak current capability of a Darlington.

For each bridge, a PHASE input controls load-current polarity by selecting the appropriate source and sink driver pair. For each bridge, an ENABLE input, when held high, disables the output drivers. Special power-up sequencing is not required. Internal circuit protection includes thermal shutdown with hysteresis, ground-clamp and flyback diodes, and crossover-current protection.

The A3966 is supplied in a 16-lead plastic wide SOIC with two pins internally fused to the die pad for enhanced thermal dissipation. These pins are at ground potential and need no electrical isolation. The device is lead (Pb) free, with 100% matte tin leadframe plating.

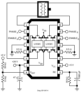
Typical Application

Typical Application

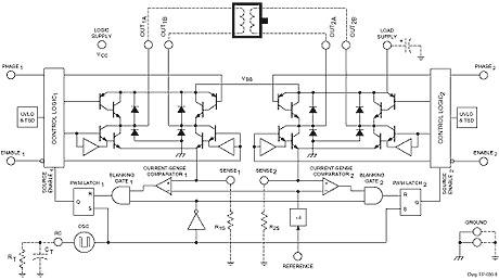
Functional Block Diagram

Functional Block Diagram 

询价热线:

0755-83283733, 83031813,33062500

QQ:623069669

MSN:sumzi003@sumzi.com  sumzi006@sumzi.com

Email:sumzi@sumzi.com 

http://www.sumzi.com

Copyright © 2002-2026Copyright @ 2017 Sumzi Electric Technical Co,.Ltd Of SHENZHEN . All rights reserved.No.11091659 for ICP Registration Purpose in Guangdong