Production:
A3967SLBTR-T特点:
± 750毫安, 30 V输出评级
satlington ®灌电流驱动器
自动电流衰减模式检测/选购
3.0 V至5.5 V逻辑电源电压范围
混合,快速和缓慢的电流衰减模式
内部uvlo和热停机电路
交叉电流保护
描述:
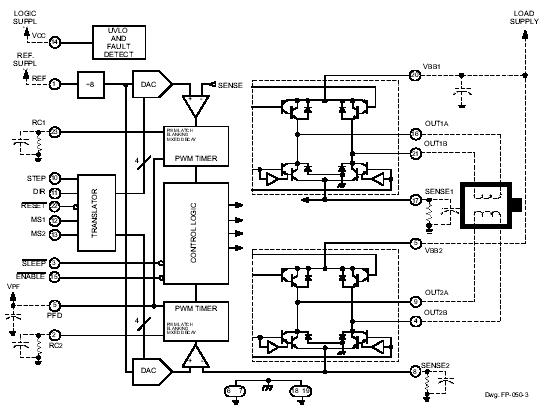
该a3967slb ,是一个完整的微步电动机驱动器内置式翻译。它的设计操作双极步进电机在全,半,季,和第八步模式,输出驱动能力30 V和± 750毫安。该a3967slb包括一个固定关断时间,电流调节认为有能力经营缓慢,速度快,或混合电流衰减模式。这个电流衰减控制方案能减少发声马达噪音,增加步进精度,并降低功耗。
译者是易于实施的关键的a3967slb 。只需输入一个脉冲步进输入电动机将产生一个步骤(全,半,每季,或第八取决于两个逻辑输入) 。有没有相序表,高频率的控制线,或复杂的界面。该a3967slb接口,是一种理想的适合申请,而一个复杂的μ P是不可用或者不胜负荷。
内部电路保护包括滞后热关机,欠压锁定( uvlo )和交叉电流保护。特别功率提升排序。
该a3967slb是供应24引脚SOIC与铜batwing制表符。标签是在地面的潜力和需要,没有隔热效果。 1无铅( 100 %雾锡)版本也已经推出。
外观图:

电路图:

库存信息:
ALLEGRO 品牌系列产品 A3967SLBTR-T
A3967SLBTR-T 批号 06+
A3967SLBTR-T 数量 1000
A3967SLBTR-T 封装 24-lead SOIC
A3967SLBTR-T 包装 1000pcs/reel
A3967SLBTR-T 备注 original/IN STOCK
A3967SLBTR-T
A3967.PDF技术资料
A3967SLBTR-T 询价
此产品本公司大量原装现货热卖
询价热线:
0755-83283733, 83031813,33062500
QQ:623069669
MSN:sumzi003@sumzi.com sumzi006@sumzi.com
Email:sumzi@sumzi.com
http://www.sumzi.com