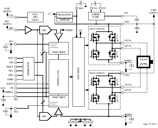
是一个完整的微电机驱动器,内嵌式翻译。它的设计操作双极步进电机在全,半,季,和第八步模式,输出驱动能力为35伏特和± 2.5甲a3977包括一个固定关断时间,电流调节器即有能力运作慢,快,或混合衰减模式。这个电流衰减控制方案能减少发声马达噪音,增加步进精度,并降低功耗。
译者是易于实施的关键的a3977 。简单地输入一个脉冲步进输入驱动电机一步(两个逻辑输入决定,如果这是一个全,半,四分之一,或第八步) 。有没有相序表,高频率的控制线,或复杂的界面。该a3977接口,是一种理想的适合申请,而一个复杂的微处理器,是不可用或者不胜负荷。
内部同步整流控制电路,以提高功率耗散在PWM操作。
内部电路保护包括滞后热关机,欠压锁定( uvlo )和交叉电流保护。特别功率提升排序。
该a3977是提供一个选择的两家电力套餐, 44引脚塑料plcc 3 ,内部经济融合的插针,每个四边(后缀教育) ,和一个薄( < 1.2毫米) , 28引脚TSSOP与暴露热垫(后缀LP ) 。两款产品包装都无铅( Pb ) , 100 %雾锡电镀。
Description
The A3977 is a complete microstepping motor driver, with builtin translator. It is designed to operate bipolar stepper motors in full-, half-, quarter-, and eighth-step modes, with output drive capability of 35 V and ±2.5 A. The A3977 includes a fixed off-time current regulator that has the ability to operate in slow-, fast-, or mixed-decay modes. This current-decay control scheme results in reduced audible motor noise, increased step accuracy, and reduced power dissipation.
The translator is the key to the easy implementation of the A3977. Simply inputting one pulse on the STEP input drives the motor one step (two logic inputs determine if it is a full-, half-, quarter-, or eighth-step). There are no phase-sequence tables, high-frequency control lines, or complex interfaces to program. The A3977 interface is an ideal fit for applications where a complex microprocessor is unavailable or over-burdened.
Internal synchronous-rectification control circuitry is provided to improve power dissipation during PWM operation.
Internal circuit protection includes thermal shutdown with hysteresis, undervoltage lockout (UVLO) and crossover-current protection. Special power-up sequencing is not required.
The A3977 is supplied in a choice of two power packages, a 44-pin plastic PLCC with 3 internally-fused pins on each of four sides (suffix ED), and a thin (<1.2 mm), 28-pin TSSOP with an exposed thermal pad (suffix LP). Both packages are lead (Pb) free, with 100% matte tin leadframe plating.
外观图:

电路图:
