Production:
A3936SED-T 详细介绍A3936SED-T 型号 ALLEGRO品牌系列产品 A3936SED-T A3936SED-T 批号 06+ROHS A3936SED-T 数量 567 A3936SED-T 封装 36-PIN PLCC A3936SED-T 包装 27PCS/TUBE A3936SED-T 备注 original/IN STOCK A3936SED-T PDF技术资料
|
| |
响拇指电子致力于电机控制以及霍尔传感器等集成电路的应用和推广,产品涉及步进电机、直流电机、 电动自行车、打印机针驱动,HID氙气灯、智能功率
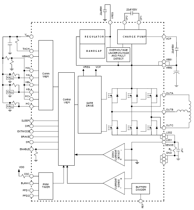
A3936带集成 3 安培 DMOS 驱动器的三相电动机控制器/驱动器
特点
- ±3 安培 50 伏特连续输出率
- 低 rDS(on)输出(一般为 500 毫欧源头,315 毫欧(姆)灌电流)
- 可配置混合、快与慢电流-衰减模式
- 对低功率耗散同步整流
- 内部欠压锁定 (UVLO) 及过热关机电路
- 交叉电流保护
- 外部速度控制回路转速计输出
描述
为三相无刷直流电发动机的脉宽调制(PWM)电流控制而设计的 A3936SED 能够将峰值输出电流输出至 ±3 安培,操作电压为 50 伏。可将内部固定停机时间脉宽调制 (PWM) 电流控制定时电流配置在低、快及混合衰减模式下操作。
内部同步整流控制电路用来改善脉宽调制 (PWM) 操作时的功率消耗。 内部电流保护包括滞后过热关机及交叉电流保护。 不需要特别的加电排序。
A3936 用于 44 引脚塑料塑封有引脚芯片载体 (PLCC),内部装有保险丝的引脚(每边三根),以提高散热功能。 这些引脚在地电位下,且不需要电绝缘。 该器件还是无铅版本,且引脚框采用 100% 雾锡电镀。
功能方框图

响拇指报价热线:
0755-83283733, 83031813,33062500
QQ:623069669
MSN:sumzi003@sumzi.com sumzi006@sumzi.com
Email:sumzi@sumzi.com
http://www.sumzi.com