Products

Hall-IC

A3977SLPTR-T Allegro品牌~~~热销中!

Description:

print

tel:0755-83031813

email:sumzi@sumzi.com

share to:

Production:

A3977
带转换器的微步 DMOS 驱动器

管脚分布

特点

  • ±2.5 安培 35 伏特输出率
  • 低 rDS(ON)输出(一般为 0.45 欧源极,0.36 欧灌电流)
  • 自驱电流衰减模式检测/选择
  • 3.0 至 5.5 伏特逻辑电源电压范围
  • 混合、快与慢电流-衰减模式
  • 自动导向输出
  • 对低功率耗散同步整流
  • 内部欠压锁定 (UVLO) 及过热关机电路
  • 交叉电流保护

 

描述

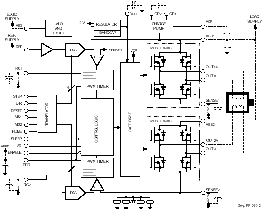
A3977SED 与 A3977SLP 是两个完整的微步电动机驱动器,带有内置转换器。 二者可在整体、1/2、1/4 及 1/8 步进模式时操作双极步进电动机,输出驱动器容量为 35 伏特及±2.5 安培。A3977 包括一个固定停机时间电流稳压器,该稳压器可在低、快或混合衰减模式下工作。 此电流衰减控制方案能减少可听到的电动机噪音、增加步进精确度并减少功率耗散。

转换器是 A3977 易于实施的关键。 通过简单的在"步进"输入中输入一个脉冲,电动机会产生步进(完整、1/2、1/4 或 1/8 步进,根据两个逻辑输入的情况而定)。 该程序中没有相位顺序表、高频率控制行或复杂的界面。 A3977 界面非常适合复杂的 µP 不可用或过载的应用。

内部同步整流控制电路用来改善脉宽调制 (PWM) 操作时的功率消耗。

内部电路保护包括因滞后引起的过热关机、欠压锁定 (UVLO) 及交叉电流保护。 不需要特别的加电排序。

A3977 具有两种功率封装可供选择,即带铜质蝙蝠翼状片的 44 引脚塑料 PLCC 以及带外露隔热盘的(后缀为 LP)的较薄(<1.2 毫米)28 引脚 TSSOP。 该 SLP 封装是无铅产品,且引脚框采用 100% 雾锡电镀。

功能方框图

功能方框图

完整型号

型号  封装类型  RoHS符合性  部件构成/RoHS 数据  温度   

A3977SED-T  44-铅 PLCC  是  查看数据  -20 °C 至 85 °C  

A3977SEDTR-T  44-铅 PLCC  是  查看数据  -20 °C 至 85 °C  

A3977SLP-T  28-铅 TSSOP  是  查看数据  -20 °C 至 85 °C    

A3977SLPTR-T  28-铅 TSSOP  是  查看数据  -20 °C 至 85 °C   

A3977KED-T  44-铅 PLCC  是  查看数据  -40 °C 至 125 °C    

A3977KEDTR-T  44-铅 PLCC  是  查看数据  -40 °C 至 125 °C  

A3977KLP-T  28-铅 TSSOP  是  查看数据  -40 °C 至 125 °C 

A3977KLPTR-T  28-铅 TSSOP  是  查看数据  -40 °C 至 125 °C

 

响拇指报价热线:
0755-83283733, 83031813,33062500
QQ:623069669
MSN:
sumzi003@sumzi.com  sumzi006@sumzi.com
Email:sumzi@sumzi.com 
http://www.sumzi.com

 

Copyright © 2002-2026Copyright @ 2017 Sumzi Electric Technical Co,.Ltd Of SHENZHEN . All rights reserved.No.11091659 for ICP Registration Purpose in Guangdong