Production:
US1881KSO 详细介绍
US1881KSO 型号
MELEXIS品牌系列产品 US1881KSO
US1881KSO 批号 06+ROHS
US1881KSO 数量 86000
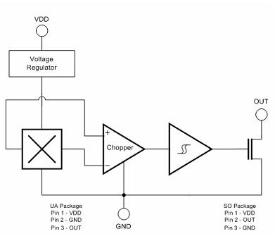
US1881KSO 封装 3-pin SOT
US1881KSO 包装 1000PCS/REEL
US1881KSO 备注 original/IN STOCK
US1881KSO 询价0755-83031813 王小姐
Features and Benefits
* Chopper stabilized amplifier stage
* Optimized for BDC motor applications
* New miniature package / thin, high reliability package
* Operation down to 3.5V
* CMOS for optimum stability, quality and cost
US1881KUA功能与特征:
*斩波稳定放大器阶段
*优化为波音设计中心电机应用
*新的微型包装/薄,可靠性高,封装
*运作下降至3.5V
*CMOS最佳的稳定性,质量和成本
Applications
* Solid state switch
* Brushless DC motor commutation
* Speed sensing
* Linear position sensing
* Angular position sensing
* Current sensing
US1881KUA广泛应用于:
*固态开关
*无刷直流电动机整流
*速度传感
*线性位置传感
*角位置传感
*电流传感
图片:


US1881KUA.PDF技术资料
询价热线:
0755-83031813,83283733, 33062500
QQ:623069669
MSN:sumzi003@sumzi.com sumzi006@sumzi.com
Email:sumzi@sumzi.com
http://www.sumzi.com