Production:
A3988
四路 DMOS 全桥式 PWM 电动机驱动器
特点
- 36 伏特额定输出电压
- 4 个全桥
- 双路步进电动机驱动器
- 高电流输出
- 3.3 及 5 伏特兼容逻辑电源
- 同步整流
- 内部欠压锁定 (UVLO)
- 过热关机电路
- 交叉电流保护
- 低厚度 QFN 封装
描述
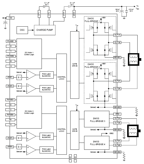
A3988 是四路 DMOS 全桥式驱动器,可驱动两个步进电动机或四个直流电动机。每一全桥式输出可达 1.2 安培和 36 伏特。A3988 包括固定停机时间脉宽调制 (PWM) 电流稳压器,以及 2 位非线性 DAC(数字模拟转换器),可允许步进电动机以全、半及四分之一步进模式控制,直流电动机以正转、反转及自由停机模式控制。PWM 电流稳压器使用 Allegro® 已获专利的混合衰减模式来减少可听到的电动机噪音、增加步进精确度并减少功率耗散。
内部同步整流控制电路用来改善脉宽调制 (PWM) 操作时的功率消耗。
保护功能包括因滞后引起的过热关机、欠压锁定 (UVLO) 及交叉电流保护。不需要特别的加电排序。
A3988 采用 EV 和 JP 两种封装,并带有用于增强热性能的外露功率片。EV 采用 0.90 毫米标称总体封装高度的 6 毫米 x 6 毫米、36 引脚 QFN 封装。JP 是 7 毫米 × 7 毫米 48 引脚 LQFP。两种封装都为无铅封装,采用 100% 雾锡电镀引脚框。
功能方框图

深圳响拇指电子科技有限公司
销售直线:0755-83031813, 83298733, 83283733
传真:0755-83299282
邮箱:sumzi006@sumzi.com sumzi003@sumzi.com sale001@sumzi.com
MSN: sumzi006@sumzi.com sumzi003@sumzi.com sale001@sumzi.com