无刷直流电机转子位置检测的新方法
2 原 理
无位置传感器控制无刷直流电机的系统原理框图如图1所示,电机工作于三相6拍工作方式,采用电压外环、电流内环的双闭环控制,逆变器功率管以PWM调制方式工作,控制器以MC8031为核心。
电机运行时,检测非导通相的反电势过零点,利用过零比较器将反电势信号Ea、Eb、Ec分别转换为逻辑电平信号Va、Vb、Vc如图2所示。采用CMOS门电路组成的脉冲倍频器如图3所示,将Va、Vb、Vc倍频后相或,得一脉冲信号H,如图2所示,此时H脉冲列周期为60°电角度,从图2中可看出t0时刻恰好a相反电势向上过零,应延时30°电角度即在t0、t1时刻的中点t4时刻开通
,关断
;同理在t5时刻应开通T-c,关断T-b;在t6时刻应开通
,关断
……。可见精确确定t4、t5、t6……时刻是实现准确换流的关键,本文引入了PLL技术,利用锁相环将H脉冲信号N倍频,当倍频电路中计数器计数值等于N/2时,恰为最佳换相点。利用数字比较器将计数器计数值与锁存器中的预置数值进行比较,且锁存器中可预置数值N/2,从而可以检出最佳换相时刻,然后调用换相子程序,实现换相过程,其误差为
角度,可见该方法对换相点的控制精确。
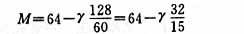
在无刷直流电机的矢量控制、弱磁控制中要求对电机换相角γ进行超前或滞后控制,且换相角是随运行工况而变化的时变量,因此对换相角的控制应快速准确。若控制算法计算出的换相角为γ0(超前为正滞后为负),则换相点对应计数器的计数值M应为:

![]()
将M值立即写入锁存器,则下一换相点便在超前γ0角度处换向。可见该方法对换相角λ的控制灵活、方便、快速,满足无刷直流电机的各种控制策略的控制要求。
电机起动时,在换相子程序中首先利用软件检测外同步驱动向内同步驱动切换的指令信号,则读出Va、Vb、Vc的状态,依此判断出逆变器功率管的触发状态,发出触发脉冲;否则中断返回。由于换向中断程序是在最佳换向时刻被触发的,所以切换点一定是最佳换向时刻,从而避免了切换过程中的振荡或失步。
同时,利用H脉冲的倍频信号SP作为位置信号,借助于恒频的时钟信号作为时钟,采用M/T法,可以方便地获得电机的转速。
3 无刷直流电机位置检测的实现
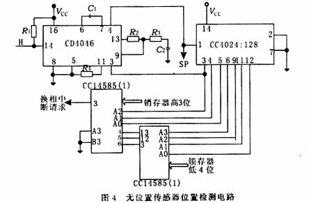
从图2可知,反电势信号Ea、Eb、Ec经过零比较器后,得到反电势逻辑电平信号Va、Vb、Vc,三路逻辑电平信号Va、Vb、Vc分别经图3所示的脉冲倍频器后相或,得H脉冲列,这样一个反电势周期对应6个H脉冲。相邻H脉冲上跳沿的中点便是理想换向点。图4为无位置传感器位置检测电路,图中锁相环CD4046和2进制串行计数/分频器CC4024构成128倍频电路,SP为倍频信号。相邻两个H脉冲上跳沿之间被128倍频,则当计数器CC4024计数值为64时便对应最佳换向时刻。由两片并行数字比较器CC14585构成的8位数字比较器时刻将计数器的计数值与锁存器的输出值进行比较,锁存器为8031系统扩展的一个外设端口,主要存储换相角γ对应的计数值,若将数值64存入锁存器,则每当计数器CC4024计数值为64时,数字比较器CC14585(1)的3引脚便发出一个脉冲,此脉冲作为换向中断请求信号向CPU请求中断,调用换向子程序,实现电机绕组电流的换向。
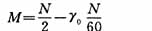
在无刷直流电机的矢量控制和弱磁控制过程中,CPU适时计算电机绕组的换相角γ,每完成1次换相角γ的计算,立即向锁存器中写入与之对应的计数值M,计数值M与换相角γ的关系为:
![]()
则下一换相点便在换相角γ处换向,换向误差为±
LSB合±0.234°电角度,完全满足精度要求。
4 测速电路的实现
图5为测速电路,8253的计数器0和计数器2都工作在方式2状态。其中,计数器0对来自CD4046的倍频脉冲SP进行计数,计数器2对来自8031ALE引脚的高频时钟脉冲fc进行计数。D触发器74LS74用来使高频时钟脉冲的计数与倍频脉冲SP同步。由于8253为负沿计数,故加入反相器74LS04。8031的P1.6端给出起动和测速信号。CPU采用M/T法适时计算出电机的转速。
5 换向子程序
换向子程序的主要功能是,根据正、反转命令和反电势逻辑电平状态确定出相应的功率管开关状态。其框图如图6所示。在中断子程序中CPU首先读入a、b、c三相的反电势逻辑信号,然后判断电机的正反转状态(依据主程序中的正反转标志),根据正、反转状态和三相反电势逻辑状态信号查表确定逆变器的开关状态。正、反转状态下,反电势逻辑状态信号和开关状态之间的对应关系如表1、表2所示,它们以表格的形式存入EPROM中。
6 实验结果
(1)利用PLL锁相环技术和并行数字比较技术可以精确控制换相角γ的大小,控制灵活、方便、快速,适用于无刷直流电机的各种控制策略。
(2)起动过程中,该方法可以精确实现外同步驱动到内同步驱动的切换,避免了起动过程中的振荡和失步现象。
(3)该方法中,可以利用倍频信号获得电机转速大小。
上一篇:解决无刷直流电机转矩波动的一种方法 2025-11-03
下一篇:基于数字信号处理器的直流电机控制系统 2025-11-03

收藏本站
当前位置:
















