三洋 (SANYO) 芯片外形尺寸
发布时间:2007-07-16 浏览:6529次
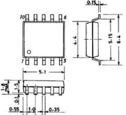
DIP-10S![]() |
DIP-12F![]() |
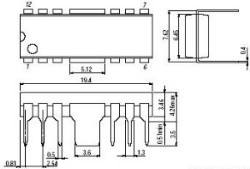
DIP-14![]() |
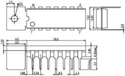
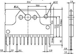
DIP-14T![]() |
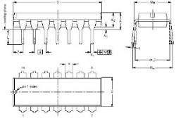
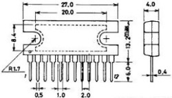
DIP-16![]() |
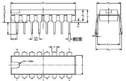
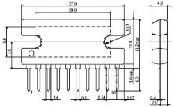
DIP-20H![]() |
DIP-24S![]() |
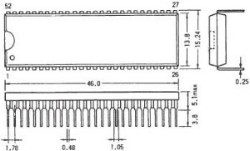
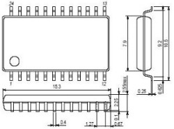
DIP-28S![]() |
DIP-30SD![]() |
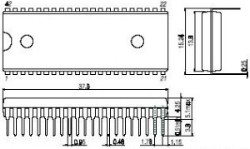
DIP-42S![]() |
DIP-48S![]() |
DIP-52S![]() |
MFP-8![]() |
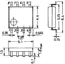
MFP-10S![]() |
MFP-24D![]() |
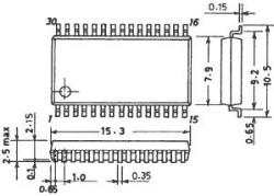
MFP-30S![]() |
MFP-36S![]() |
MFP-64E![]() |
QIP-44MA![]() |
QIP-48E![]() |
SEP-18H![]() |
SIP-7H![]() |
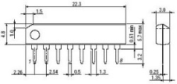
SIP-8![]() |
SIP-9![]() |
SIP-10![]() |
SIP-10H![]() |
SIP-12H![]() |
SIP-12S![]() |
SIP-13H![]() |
SIP-16Z![]() |
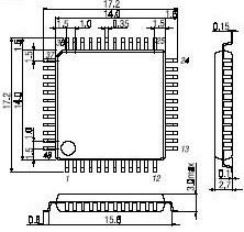
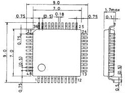
SQFP-48![]() |
SQFP-64![]() |
上一篇:汤姆逊 (SGS-THOMSON) 芯片外形尺寸 2026-03-09
下一篇:KEC 芯片外形尺寸 2026-03-09

收藏本站
当前位置:






































